| Номер на схеме | Каталожный номер | Название | Количество | Детали | |||
|---|---|---|---|---|---|---|---|
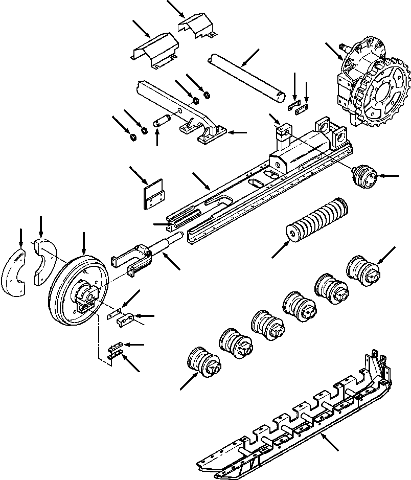
| ? | (1281 171 H91) | TRACK FRAME | -54 | F1 | |||
| ? | 1280 539 H91 | • FRAME ASSY, LEFT TRACK | 1 | ||||
| ? | 1280 540 H91 | • FRAME ASSY, RIGHT TRACK | 1 | ||||
| ? | (NSS) | • • FRAME, TRACK | 1 | ||||
| ? | 621 338 C1 | • • BAR, FRONT IDLER WEAR - OPTIONAL | 2 | ||||
| ? | 662 526 C1 | • • BAR, FRONT IDLER WEAR - OPTIONAL | 2 | ||||
| ? | 1233 532 H1 | • • BLOCK, TOP IDLER MOUNTING | 1 | ||||
| ? | (1260 010 H91) | STABILIZING LINKAGE | -54 | F1 | |||
| ? | 338 159 R1 | • RING, SNAP | 4 | ||||
| ? | 1283 831 H1 | • RETAINER, RING | 4 | ||||
| ? | 1250 708 H1 | • BAR, REAR RIGID | 1 | ||||
| ? | 621 410 C1 | • LOCK PLATE, BAR | 2 | ||||
| ? | 24 875 R1 | • BOLT, HEX - 5/8NCx2 | 4 | ||||
| ? | 25 537 R1 | • WASHER, FLAT - 5/8 | 4 | ||||
| ? | 621 411 C1 | • SHIM, BAR LOCK PLATE - 0.060IN | A/R | ||||
| ? | 1306 387 H1 | • SHIM, BAR LOCK PLATE - 0.020IN | A/R | ||||
| ? | 621 560 C1 | • PIN, MOUNTING | 2 | ||||
| ? | 1250 814 H91 | • CROSSBAR, FRONT | 1 | ||||
| ? | 24 889 R1 | • BOLT, HEX - 3/4NCx2-1/4 | 16 | ||||
| ? | 25 548 R1 | • WASHER, FLAT - 3/4 | 16 | ||||
| ? | (1259 087 H91) | TRACK ROLLERS AND TOP IDLERS | -54 | F1 | |||
| ? | • ROLLER, TRACK (SEE PG 14-012) | -29 | 14BRTD8H.001 | ||||
| ? | 275 635 R1 | • BOLT, HEX - 1/2NCx3 | 48 | ||||
| ? | 25 536 R1 | • WASHER, FLAT - 1/2 | 48 | ||||
| ? | • IDLER, TOP (SEE PG 14-010) | -29 | 14BMTD9H.001 | ||||
| ? | 24 878 R1 | • BOLT, HEX - 5/8NCx2-3/4 | 2 | ||||
| ? | 25 537 R1 | • WASHER, FLAT - 5/8 | 2 | ||||
| ? | (1281 162 H91) | FRONT IDLER AND ADJUSTER | -54 | F1 | |||
| ? | • IDLER, FRONT (SEE PG 14-014) | -29 | 14AVTD7H.001 | ||||
| ? | 622 044 C1 | • BAR, WEAR | 4 | ||||
| ? | 205 079 R1 | • BOLT, HEX - 7/16NCx1-1/8 | 12 | ||||
| ? | 115 314 | • WASHER, LOCK - 7/16 | 12 | ||||
| ? | 621 423 C1 | • SHIM, WEAR BAR | A/R | ||||
| ? | 1280 514 H1 | • PLATE, THRUST | 4 | ||||
| ? | 24 874 R1 | • BOLT, HEX - 5/8NCx1-3/4 | 8 | ||||
| ? | 25 537 R1 | • WASHER, FLAT - 5/8 | 8 | ||||
| ? | 1280 515 H1 | • SHIM, THRUST PLATE | A/R | ||||
| ? | • ADJUSTER, TRACK (SEE PG 14-016) | -29 | 14BDTD8H.001 | ||||
| ? | • • SPRING, TRACK | 2 | |||||
| ? | • • CYLINDER, ADJUSTER | 2 | |||||
| ? | FINAL DRIVE (SEE PG 07-092) | -29 | 07HHTD7H.001 | ||||
| ? | (1285 338 H91) | COUNTERWEIGHT | -54 | F1 | |||
| ? | 1285 310 H1 | • COUNTERWEIGHT, FRONT IDLER | 8 | ||||
| ? | 24 868 R1 | • BOLT, HEX - 1/2NCx4 | 12 | ||||
| ? | 25 555 R1 | • WASHER, FLAT - 1/2 | 24 | ||||
| ? | 9412 230 | • NUT, LOCK - 1/2NC | 12 | ||||
| ? | ROLLER SHIELD AND CHAIN GUIDE (SEE PG 14-018) | -29 | 14BVD38E.001 | ||||
| ? | (1301 226 H91) | TRACK FRAME COVERS | -54 | F1 | |||
| ? | 1301 185 H1 | • COVER, FRONT | 2 | ||||
| ? | 24 860 R1 | • BOLT, HEX - 1/2NCx1 | 4 | ||||
| ? | 25 536 R1 | • WASHER, FLAT - 1/2 | 4 | ||||
| ? | 1301 180 H1 | • COVER, REAR | 2 | ||||
| ? | 24 860 R1 | • BOLT, HEX - 1/2NCx1 | 2 | ||||
| ? | 25 536 R1 | • WASHER, FLAT - 1/2 | 2 | ||||
| ? | BAR, RUB (SEE PG 15-004) | -29 | 15ADTD8H.002 | ||||
| ? | |||||||
| ? | F1 - PART NUMBER IS A NON-SERVICE PART AND IS LISTED FOR REFERENCE ONLY. | ||||||
| ? |