| Номер на схеме | Каталожный номер | Название | Количество | Детали | |||
|---|---|---|---|---|---|---|---|
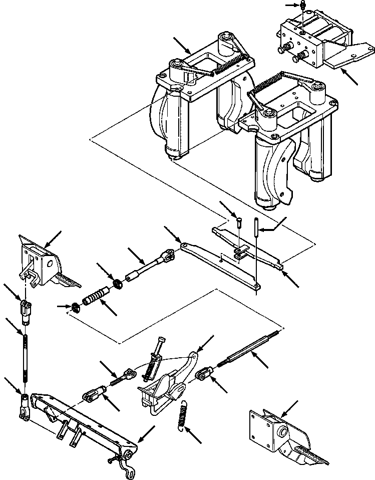
| ? | (1308 102 H91) | BRAKES AND CONTROLS | -54 | F1 | |||
| ? | • SHOES AND LEVERS (SEE PG 04-014) | -29 | 04AVTD9H.001 | ||||
| ? | • BRAKE PAD (SEE PG 04-006) | -29 | 04ADD32E.004 | ||||
| ? | 25 274 R1 | • BOLT, HEX - 1/2NCx1-1/8 | 3 | ||||
| ? | 116 121 | • WASHER, LOCK - 1/2 | 3 | ||||
| ? | 1258 315 H91 | • ROD, FINAL BRAKE | 1 | ||||
| ? | 16 619 R1 | • PIN, CLEVIS - 1/2x1-23/64 | 1 | ||||
| ? | 103 385 | • PIN, COTTER - 1/8x1 | 1 | ||||
| ? | 25 527 R1 | • NUT, HEX - 1/2NF | 1 | ||||
| ? | 144 256 | • CLEVIS, ROD END | 3 | ||||
| ? | 25 527 R1 | • NUT, HEX - 1/2NF | 3 | ||||
| ? | 16 619 R1 | • PIN, CLEVIS - 1/2x1-23/64 | 4 | ||||
| ? | 103 385 | • PIN, COTTER - 1/8x1 | 4 | ||||
| ? | • BRACKET, BRAKE SUPPORT (SEE PG 04-008) | -29 | 04ADD32E.001 | ||||
| ? | 26 316 R1 | • BOLT, HEX - 1/2NCx1 | 6 | ||||
| ? | 25 555 R1 | • WASHER, FLAT - 1/2 | 6 | ||||
| ? | 1258 312 H1 | • ROD, MAIN BRAKE | 1 | ||||
| ? | • PEDAL, BRAKE/DECELERATOR (SEE PG 04-010) | -29 | 04ADD32E.002 | ||||
| ? | 24 861 R1 | • BOLT, HEX - 1/2NCx1-1/4 | 4 | ||||
| ? | 25 536 R1 | • WASHER, FLAT - 1/2 | 4 | ||||
| ? | 1287 522 H1 | • ROD, TURNBUCKLE | 1 | ||||
| ? | 19 457 R1 | • YOKE, LH THREAD | 1 | ||||
| ? | 145 406 | • NUT, JAM - 1/2NF | 1 | ||||
| ? | 16 619 R1 | • PIN, CLEVIS - 1/2x1-23/64 | 1 | ||||
| ? | 103 385 | • PIN, COTTER - 1/8x1 | 1 | ||||
| ? | 652 827 C1 | • CLEVIS, BRAKE ROD | 1 | ||||
| ? | 25 527 R1 | • NUT, JAM - 1/2NF | 1 | ||||
| ? | 103 499 R1 | • PIN, CLEVIS - 5/8x1-39/64 | 1 | ||||
| ? | 103 385 | • PIN, COTTER - 1/8x1 | 1 | ||||
| ? | 652 829 C1 | • BOOT, CONTROL ROD | 1 | ||||
| ? | 122 316 R91 | • CLAMP, BOOT | 2 | ||||
| ? | 1286 903 H1 | • SPRING, RETURN | 1 | ||||
| ? | 621 318 C1 | • SUPPORT, BRAKE ACTUATOR | 1 | ||||
| ? | 621 319 C1 | • PIN, PIVOT | 1 | ||||
| ? | 21 853 H | • PIN, CLEVIS - 1/2x1-1/2 | 1 | ||||
| ? | 103 385 | • PIN, COTTER - 1/8x1 | 1 | ||||
| ? | 621 310 C2 | • SUPPORT, BRAKE EQUALIZER | 1 | ||||
| ? | PEDAL, SECONDARY BRAKE (SEE PG 04-012) | -29 | 04ADD32E.005 | ||||
| ? | CYLINDER, BRAKE (SEE PG 04-020) | -29 | 04ZZD32E.001 | ||||
| ? | 24 861 R1 | BOLT, HEX - 1/2NCx1-1/4 - FRONT | 2 | ||||
| ? | 24 866 R1 | BOLT, HEX - 1/2NCx2-1/2 - REAR | 2 | ||||
| ? | 25 546 R1 | WASHER, FLAT - 1/2 | 4 | ||||
| ? | CONNECTOR, PORT (SEE PG 07-084) | -29 | 07ZZD32E.002 | ||||
| ? | |||||||
| ? | F1 - PART NUMBER IS A NON-SERVICE PART AND IS LISTED FOR REFERENCE ONLY. | ||||||
| ? |