| Номер на схеме | Каталожный номер | Название | Количество | Детали | |||
|---|---|---|---|---|---|---|---|
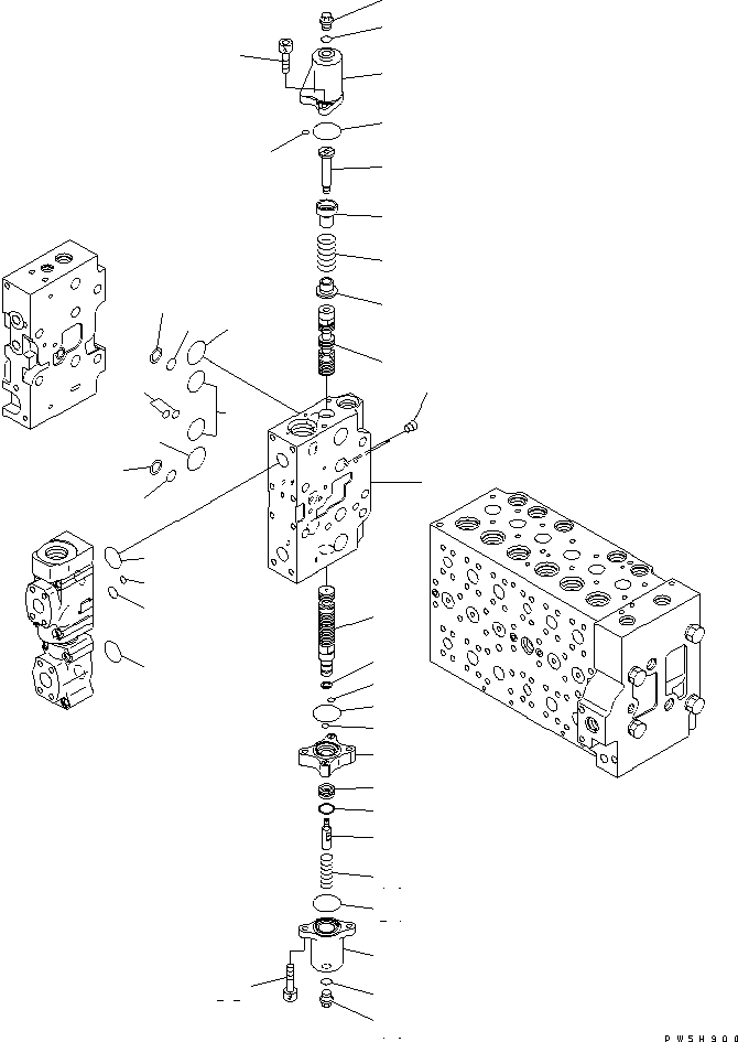
| ? | (723-47-27501) | CONTROL VALVE | 1 | SN: A86001- KIT-FLAG: _- SERIALNO: A86001- |
|||
| ? | THESE ASSEMBLIES CONSIST OF ALL PARTS SHOWN IN FIGS.Y1662-01A0 TO Y1662-20A0. | SERIALNO: |
|||||
| ? | ☆ | • BODY SUB ASS'Y | 1 | SN: A86001- KIT-FLAG: _- SERIALNO: A86001- |
|||
| ? | ☆ | • • BLOCK,VALVE | 1 | SN: A86001- KIT-FLAG: _- SERIALNO: A86001- |
|||
| ? | ☆ | • • SPOOL | 1 | SN: A86001- KIT-FLAG: _- SERIALNO: A86001- |
|||
| ? | 723-46-15390 | • • PLUG | 1 | SN: A86001- KIT-FLAG: _- SERIALNO: A86001- |
|||
| ? | 723-46-15370 | • • RETAINER | 1 | SN: A86001- KIT-FLAG: _- SERIALNO: A86001- |
|||
| ? | 723-46-15380 | • • RETAINER | 1 | SN: A86001- KIT-FLAG: _- SERIALNO: A86001- |
|||
| ? | 723-46-14190 | • • SPRING | 1 | SN: A86001- KIT-FLAG: _- SERIALNO: A86001- |
|||
| ? | 723-46-17840 | • • CASE | 1 | SN: A86001- KIT-FLAG: _- SERIALNO: A86001- |
|||
| ? | 07430-71380 | • • O-RING | 1 | SN: A86001- KIT-FLAG: _- SERIALNO: A86001- |
|||
| ? | 01252-60820 | • • BOLT | 2 | SN: A86001- KIT-FLAG: _- SERIALNO: A86001- |
|||
| ? | 723-46-25610 | • • SPOOL | 1 | SN: A86001- KIT-FLAG: _- SERIALNO: A86001- |
|||
| ? | 723-46-15330 | • • BOLT | 1 | SN: A86001- KIT-FLAG: _- SERIALNO: A86001- |
|||
| ? | 723-46-15340 | • • PISTON | 1 | SN: A86001- KIT-FLAG: _- SERIALNO: A86001- |
|||
| ? | 723-46-15350 | • • SEAL | 1 | SN: A86001- KIT-FLAG: _- SERIALNO: A86001- |
|||
| ? | 700-20-71260 | • • SEAL | 1 | SN: A86001- KIT-FLAG: _- SERIALNO: A86001- |
|||
| ? | 723-46-14180 | • • SPRING | 1 | SN: A86001- KIT-FLAG: _- SERIALNO: A86001- |
|||
| ? | 723-46-17850 | • • CASE | 1 | SN: A86001- KIT-FLAG: _- SERIALNO: A86001- |
|||
| ? | 723-46-17860 | • • CASE | 1 | SN: A86001- KIT-FLAG: _- SERIALNO: A86001- |
|||
| ? | 723-11-19960 | • • O-RING | 3 | SN: A86001- KIT-FLAG: _- SERIALNO: A86001- |
|||
| ? | 706-73-71450 | • • PLUG | 2 | SN: A86001- KIT-FLAG: _- SERIALNO: A86001- |
|||
| ? | 07002-11423 | • • O-RING | 2 | SN: A86001- KIT-FLAG: _- SERIALNO: A86001- |
|||
| ? | 07430-71380 | • • O-RING | 2 | SN: A86001- KIT-FLAG: _- SERIALNO: A86001- |
|||
| ? | 01252-60845 | • • BOLT | 2 | SN: A86001- KIT-FLAG: _- SERIALNO: A86001- |
|||
| ? | ☆ | • • PLUG | 2 | SN: A86001- KIT-FLAG: _- SERIALNO: A86001- |
|||
| ? | 723-46-17530 | • • O-RING | 2 | SN: A86001- KIT-FLAG: _- SERIALNO: A86001- |
|||
| ? | 723-11-19130 | • • O-RING | 2 | SN: A86001- KIT-FLAG: _- SERIALNO: A86001- |
|||
| ? | 723-46-17520 | • • RING,BACK-UP | 2 | SN: A86001- KIT-FLAG: _- SERIALNO: A86001- |
|||
| ? | 07000-13032 | • • O-RING | 4 | SN: A86001- KIT-FLAG: _- SERIALNO: A86001- |
|||
| ? | 723-46-17510 | • • O-RING | 2 | SN: A86001- KIT-FLAG: _- SERIALNO: A86001- |
|||
| ? | 07000-12016 | • • O-RING | 1 | SN: A86001- KIT-FLAG: _- SERIALNO: A86001- |
|||
| ? | 702-16-53920 | • • O-RING | 1 | SN: A86001- KIT-FLAG: _- SERIALNO: A86001- |