k-part
Номер на схеме Каталожный номер Название Количество Детали
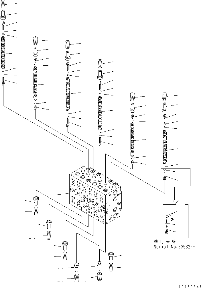
? 723-47-27501 CONTROL VALVE 1
SN: A86001-
KIT-FLAG: _-
SERIALNO: A86001-
? THESE ASSEMBLIES CONSIST OF ALL PARTS SHOWN IN FIGS.Y1662-01A0 TO Y1662-20A0.
SERIALNO:
? • BODY SUB ASS'Y 1
SN: A86001-
KIT-FLAG: _-
SERIALNO: A86001-
? • • BLOCK,VALVE 1
SN: A86001-
KIT-FLAG: _-
SERIALNO: A86001-
? • • SPOOL 1
SN: A86001-
KIT-FLAG: _-
SERIALNO: A86001-
? • • SPOOL 1
SN: A86001-
KIT-FLAG: _-
SERIALNO: A86001-
? • • SPOOL 1
SN: A86001-
KIT-FLAG: _-
SERIALNO: A86001-
? • • SPOOL 1
SN: A86001-
KIT-FLAG: _-
SERIALNO: A86001-
? • • SPOOL 1
SN: A86001-
KIT-FLAG: _-
SERIALNO: A86001-
? • • SPOOL 1
SN: A86001-
KIT-FLAG: _-
SERIALNO: A86001-
? 723-46-15130 • • PLUG 7
SN: A86001-
KIT-FLAG: _-
SERIALNO: A86001-
? 723-46-15140 • • PLUG 4
SN: A86001-
KIT-FLAG: _-
SERIALNO: A86001-
? 07002-10823 • • O-RING 11
SN: A86001-
KIT-FLAG: _-
SERIALNO: A86001-
? • • PLUG 1
SN: A86001-
KIT-FLAG: _-
SERIALNO: A86001-
? 07002-11423 • • O-RING 1
SN: A86001-
KIT-FLAG: _-
SERIALNO: A86001-
? • • SEAL 1
SN: A86001-
KIT-FLAG: _-
SERIALNO: A86001-
? • • SEAL 1
SN: A86001-
KIT-FLAG: _-
SERIALNO: A86001-
? 708-7T-16460 • • BALL 8
SN: A86001-
KIT-FLAG: _-
SERIALNO: A86001-
? 723-46-15120 • • RETAINER 6
SN: A86001-
KIT-FLAG: _-
SERIALNO: A86001-
? 723-46-15690 • • RETAINER 6
SN: A86001-
KIT-FLAG: _-
SERIALNO: A86001-
? 723-46-14110 • • SPRING 6
SN: A86001-
KIT-FLAG: _-
SERIALNO: A86001-
? 723-46-14170 • • SPRING 1
SN: A86001-
KIT-FLAG: _-
SERIALNO: A86001-
? 723-46-14131 • • SPRING 5
SN: A86001-
KIT-FLAG: _-
SERIALNO: A86001-

Excavators Komatsu / PC400LC-7L S/N A86001-UP(PC400L1E) / MAIN VALVE (1/20)(480050 : Y1662-01A0)
?
?
?
?
?
?
?
?
?
?
?
?
?
?
?
?
?
?
?
?
?
?
?
?
?
?
?
?
?
?
?
?
?
?
?
?
?
?
?
?
?
?
?
?
?
?
?
?
?
?
?
?
?
?
?
?
?
?
?
?
?
?
?
?
?
?
?