k-part
Номер на схеме Каталожный номер Название Количество Детали
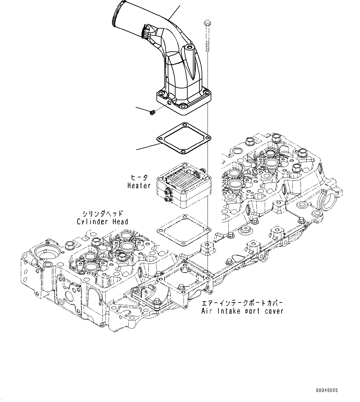
? 6754-11-4410 Connector, Air Intake 1
SN: 26542663-
KIT-FLAG: _-
SCC:
SERIALNO: 26542663-
? 07043-70108 Plug 1
SN: 26542663-
KIT-FLAG: _-
SCC:
SERIALNO: 26542663-
? 6754-11-4120 Gasket 1
SN: 26542663-
KIT-FLAG: _-
SCC:
SERIALNO: 26542663-

Engines Komatsu / SAA6D107E-1C S/N 26542663-UP (For PC240LC-8)(SAA6D240) / Air Intake Connector(A010001 : AIC00-001001)
?
?
?