k-part
Номер на схеме Каталожный номер Название Количество Детали
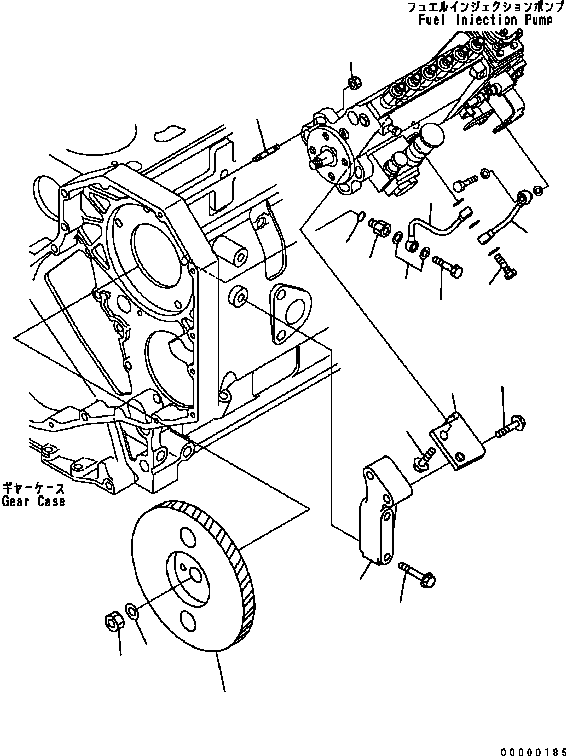
? 6738-71-3620 BRACKET, FUEL PUMP 1
SN: 30380718-
? 6732-61-3110 BOLT 2
SN: 30380718-
? 6738-71-3610 BRACKET, FUEL PUMP 1
SN: 30380718-
? 6735-71-3220 BOLT 2
SN: 30380718-
? 6734-71-5610 BOLT 2
SN: 30380718-
? 6738-71-3120 STUD 4
SN: 30380718-
? 6736-81-6170 NUT 4
SN: 30380718-
? 6738-71-3100 GEAR ASS'Y, FUEL PUMP 1
SN: 30380718-
? 6738-71-3110 • GEAR, FUEL PUMP 1
SN: 30380718-
? 6738-71-3810 • DAMPER, VIBRATION 1
SN: 30380718-
? 6130-32-1361 WASHER, PLAIN 1
SN: 30380718-
? 01582-01411 NUT 1
SN: 30380718-
? 6732-71-5450 NIPPLE, FEMALE 1
SN: 30380718-
? 6215-81-9710 O-RING 1
SN: 30380718-
? 07206-30710 BOLT 1
SN: 30380718-
? 6731-71-5860 RING 5
SN: 30380718-
? 6735-71-5411 TUBE, OIL 1
SN: 30380718-
? 6735-71-5420 BOLT 1
SN: 30380718-
? 6735-71-5430 TUBE, LUBRICATING OIL SUPPLY 1
SN: 30380718-

Engines Komatsu / SAA6D102E-2 S/N 30380718-UP(SAA6DW2B) / FUEL INJECTION PUMP MOUNTING(030510 : A408P-01B0)
?
?
?
?
?
?
?
?
?
?
?
?
?
?
?
?
?