| Номер на схеме | Каталожный номер | Название | Количество | Детали | |||
|---|---|---|---|---|---|---|---|
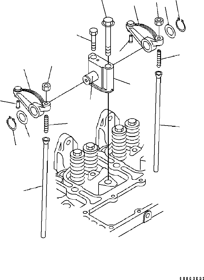
| ? | 6732-41-3111 | ROD, PUSH | 12 | SN: 30380718- |
|||
| ? | 6732-41-5180 | BOLT | 6 | SN: 30380718- |
|||
| ? | 6732-11-1640 | BOLT | 6 | SN: 30380718- |
|||
| ? | 6732-41-5170 | RING, RETAINING | 12 | SN: 30380718- |
|||
| ? | 6732-41-5160 | WASHER, PLAIN | 12 | SN: 30380718- |
|||
| ? | 6732-41-5400 | ARM ASS'Y | 6 | SN: 30380718- |
|||
| ? | ☆ | • ARM | 1 | SN: 30380718- |
|||
| ? | ☆ | • INSERT, ROCKER LEVER | 1 | SN: 30380718- |
|||
| ? | 6735-41-5550 | • NUT, HEXAGON | 1 | SN: 30380718- |
|||
| ? | 6735-41-5560 | • SCREW, SLOTTED | 1 | SN: 30380718- |
|||
| ? | 6732-41-5200 | ARM ASS'Y | 6 | SN: 30380718- |
|||
| ? | ☆ | • ARM | 1 | SN: 30380718- |
|||
| ? | ☆ | • INSERT, ROCKER LEVER | 1 | SN: 30380718- |
|||
| ? | 6735-41-5550 | • NUT, HEXAGON | 1 | SN: 30380718- |
|||
| ? | 6735-41-5560 | • SCREW, SLOTTED | 1 | SN: 30380718- |
|||
| ? | 6736-41-5110 | BRACKET ASS'Y | 6 | SN: 30380718- |
|||
| ? | 6732-41-5120 | • BRACKET | 1 | SN: 30380718- |
|||
| ? | ☆ | • SHAFT ASS'Y | 1 | SN: 30380718- |