| Номер на схеме | Каталожный номер | Название | Количество | Детали | |||
|---|---|---|---|---|---|---|---|
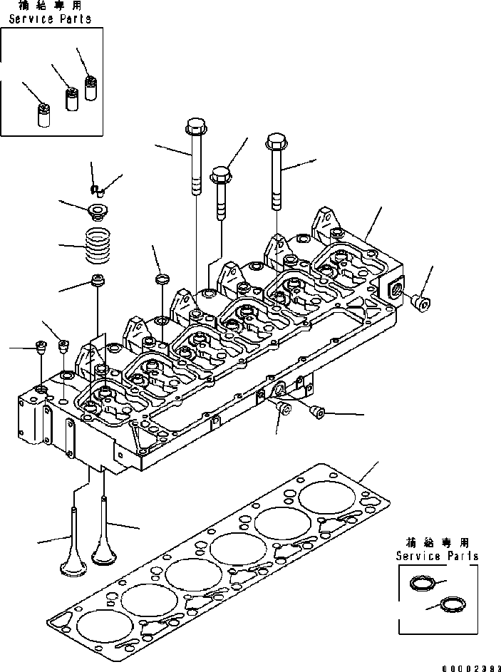
| ? | 6735-11-1201 | HEAD ASS'Y | 1 | SN: 30380718- |
|||
| ? | ☆ | • HEAD | 1 | SN: 30380718- |
|||
| ? | 6736-11-1150 | • • PLUG | 5 | SN: 30380718- |
|||
| ? | 6732-11-1930 | • • PLUG | 2 | SN: 30380718- |
|||
| ? | 6732-11-1910 | • • PLUG | 5 | SN: 30380718- |
|||
| ? | 6736-41-4110 | • • INTAKE VALVE ASS'Y | 6 | SN: 30380718- |
|||
| ? | ☆ | • • • VALVE | 1 | SN: 30380718- |
|||
| ? | 6732-41-4520 | • • • COTTER | 12 | SN: 30380718- |
|||
| ? | 6736-41-4210 | • • EXHAUST VALVE ASS'Y | 6 | SN: 30380718- |
|||
| ? | ☆ | • • • VALVE | 1 | SN: 30380718- |
|||
| ? | 6732-41-4520 | • • • COTTER | 12 | SN: 30380718- |
|||
| ? | 6732-41-4430 | • • SPRING | 12 | SN: 30380718- |
|||
| ? | 6731-41-4510 | • • RETAINER | 12 | SN: 30380718- |
|||
| ? | 6732-41-4540 | • • SEAL | 12 | SN: 30380718- |
|||
| ? | 6732-11-1920 | • • PLUG | 1 | SN: 30380718- |
|||
| ? | 6732-11-1610 | BOLT | 6 | SN: 30380718- |
|||
| ? | 6732-11-1620 | BOLT | 14 | SN: 30380718- |
|||
| ? | 6735-11-1821 | GASKET | 1 | SN: 30380718- |
|||
| ? | 6732-11-1170 | INSERT, EXHAUST | 6 | SN: 30380718- |
|||
| ? | 6732-11-1180 | INSERT, INTAKE | 6 | SN: 30380718- |
|||
| ? | 6736-19-1310 | GUIDE¤ 60.50MM | A/R | SN: 30380718- |
|||
| ? | 6736-19-1410 | GUIDE¤ 51.75MM | A/R | SN: 30380718- |
|||
| ? | 6736-18-1310 | GUIDE | A/R | SN: 30380718- |