| Номер на схеме | Каталожный номер | Название | Количество | Детали | |||
|---|---|---|---|---|---|---|---|
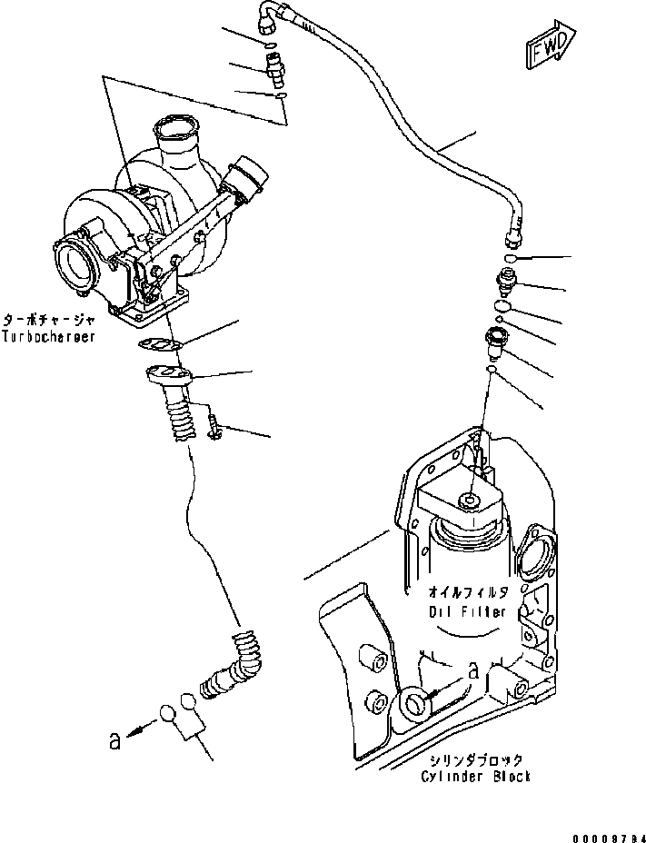
| ? | 6732-51-8430 | TUBE, OIL | 1 | SN: 36037661- |
|||
| ? | 6732-71-3220 | BOLT | 2 | SN: 36037661- |
|||
| ? | 6735-51-8180 | GASKET | 1 | SN: 36037661- |
|||
| ? | 6732-51-8330 | O-RING | 2 | SN: 36037661- |
|||
| ? | 6735-51-8140 | HOSE | 1 | SN: 36037661- |
|||
| ? | 6736-51-8710 | O-RING | 1 | SN: 36037661- |
|||
| ? | 6745-61-8160 | CONNECTOR | 1 | SN: 36037661- |
|||
| ? | 6732-81-8860 | O-RING | 1 | SN: 36037661- |
|||
| ? | 6732-51-8441 | VALVE, CHECK | 1 | SN: 36037661- |
|||
| ? | ☆ | • ADAPTER | 1 | SN: 36037661- |
|||
| ? | ☆ | • NIPPLE | 1 | SN: 36037661- |
|||
| ? | ☆ | • O-RING | 1 | SN: 36037661- |
|||
| ? | ☆ | • BALL | 1 | SN: 36037661- |
|||
| ? | 6732-81-8860 | O-RING | 1 | SN: 36037661- |
|||
| ? | 6737-51-8770 | O-RING | 1 | SN: 36037661- |