| Номер на схеме | Каталожный номер | Название | Количество | Детали | |||
|---|---|---|---|---|---|---|---|
| ? | (679 145 C91) | MUTLI-SHANK RIPPER WITHOUT PITCH - FACTORY | -54 | F1 | |||
| ? | (717 989 C91) | MULTI-SHANK RIPPER WITHOUT PITCH - FIELD | -54 | F1 | |||
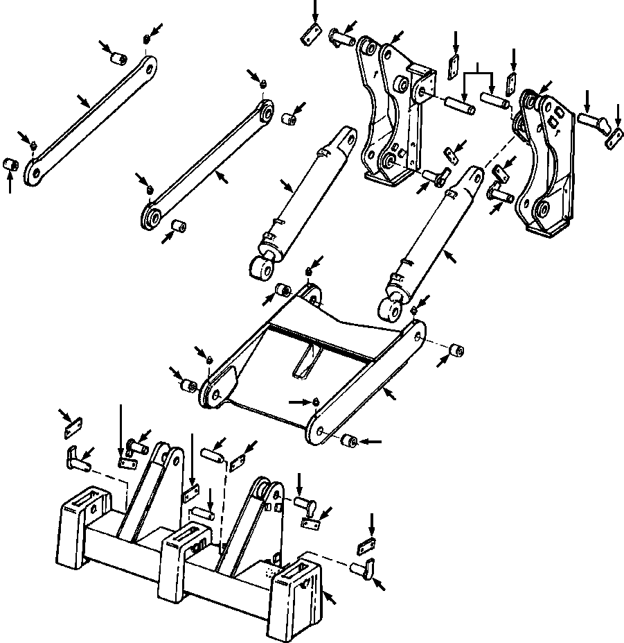
| ? | (635 165 C91) | • FRAME AND MOUNTING | -54 | F1 | |||
| ? | 717 667 C1 | • • FRAME, LEFT | 1 | ||||
| ? | 651 533 C1 | • • STUD, FRAME MOUNTING | 9 | ||||
| ? | 26 609 R1 | • • WASHER, FLAT - 1-1/2 | 9 | ||||
| ? | 25 671 R1 | • • NUT, HEX - 1-1/2NF | 9 | ||||
| ? | 668 876 C1 | • • PIN, MOUNTING | 4 | ||||
| ? | 27 416 R1 | • • BOLT, MOUNTING - 3/4NCx1-5/8 | 8 | ||||
| ? | 25 538 R1 | • • WASHER, FLAT - 3/4 | 8 | ||||
| ? | 668 875 C1 | • • LINK, PIN RETAINER | 14 | ||||
| ? | 27 416 R1 | • • BOLT, MOUNTING - 3/4NCx1-5/8 | 28 | ||||
| ? | 25 538 R1 | • • WASHER, FLAT - 3/4 | 28 | ||||
| ? | 668 882 C1 | • • PIN, CYLINDER | 2 | ||||
| ? | 705 913 C2 | • • PIN, DRAFT FRAME PIVOT | 2 | ||||
| ? | 717 668 C1 | • • FRAME, RIGHT | 1 | ||||
| ? | 651 533 C1 | • • STUD, FRAME MOUNTING | 9 | ||||
| ? | 26 609 R1 | • • WASHER, FLAT - 1-1/2 | 9 | ||||
| ? | 25 671 R1 | • • NUT, HEX - 1-1/2NF | 9 | ||||
| ? | (635 166 C91) | • CYLINDERS | -54 | F1 | |||
| ? | • • CYLINDER, RIPPER LIFT (SEE PG 10-116) | -29 | 10-116 | ||||
| ? | (635 168 C91) | • FRAME AND STABILIZERS | -54 | F1 | |||
| ? | 668 909 C92 | • • DRAFT FRAME ASSY, COMPLETE | 1 | ||||
| ? | (NSS) | • • • FRAME, DRAFT | 1 | ||||
| ? | 705 923 C2 | • • • BUSHING, DRAFT FRAME | 4 | ||||
| ? | 109 461 | • • • FITTING, LUBE | 4 | ||||
| ? | 712 879 C1 | • • TOOL BEAM WELDMENT | 1 | ||||
| ? | 705 930 C1 | • • PIN, LIFT CYLINDER REAR | 2 | ||||
| ? | 705 902 C92 | • • UPPER LINK ASSY, COMPLETE | 2 | ||||
| ? | (NSS) | • • • LINK, UPPER | 1 | ||||
| ? | 705 922 C2 | • • • BUSHING | 4 | ||||
| ? | 109 461 | • • • FITTING, LUBE | 4 | ||||
| ? | |||||||
| ? | F1 - PART NUMBER IS A NON-SERVICE PART AND IS LISTED FOR REFERENCE ONLY. | ||||||
| ? |