| Номер на схеме | Каталожный номер | Название | Количество | Детали | |||
|---|---|---|---|---|---|---|---|
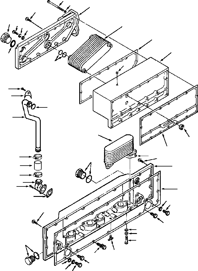
| ? | 1239 239 H1 | TUBE, WATER BYPASS | 1 | ||||
| ? | 1240 052 H1 | O-RING | 1 | ||||
| ? | 1239 201 H1 | CONNECTION, WATER BYPASS | 1 | ||||
| ? | 140 483 H | BOLT (3/8 - 16x1 1/4 INCH) | 2 | ||||
| ? | 1239 332 H1 | BOLT (5/16 - 18x3/4 INCH) | 1 | ||||
| ? | 1241 351 H1 | CLAMO, HOSE | 2 | ||||
| ? | 1241 354 H1 | HOSE, PLAIN | 1 | ||||
| ? | 1241 360 H1 | GASKET, CONNECTION | 1 | ||||
| ? | 1239 913 H1 | CLIP | 1 | ||||
| ? | 1295 462 H91 | COOLER, TORQUE CONVERTER | 1 | ||||
| ? | 1237 989 H1 | *BOLT (3/8 - 24x3 3/4 INCH) | 8 | ||||
| ? | 1238 099 H1 | *WASHER, PLAIN | 11 | ||||
| ? | 120 382 | *WASHER, LOCK | 8 | ||||
| ? | 1238 127 H1 | *DRAINCOCK | 1 | ||||
| ? | 1238 237 H1 | *WASHER, PLAIN | 8 | ||||
| ? | 1238 775 H1 | *GASKET, OIL COOLER CORE | 4 | ||||
| ? | 1238 854 H1 | *O-RING | 8 | ||||
| ? | 1259 888 H1 | *PLUG, PIPE | 1 | ||||
| ? | 1259 889 H1 | *NUT, LOCK | 4 | ||||
| ? | 1239 268 H1 | *BOLT (3/8 - 16x1 3/4 INCH) | 8 | ||||
| ? | 1239 269 H1 | *BOLT (3/8 - 16x2 INCH) | 2 | ||||
| ? | 1259 891 H1 | *BOLT (3/8 - 16x9 INCH) | 8 | ||||
| ? | 1259 892 H1 | *HOUSING, TORQUE CONVERTER COOLER | 1 | ||||
| ? | 1259 893 H1 | *COVER, TORQUE CONVERTER OIL COOLER | 1 | ||||
| ? | 1239 248 H2 | *GASKET, TORQUE CONVERTER OIL COOLER | 1 | ||||
| ? | 1259 890 H2 | GASKET, TORQUE CONVERTER OIL COOLER | 1 | ||||
| ? | 1259 901 H2 | *CORE, COOLER | 2 | ||||
| ? | 1238 328 H1 | O-RING | 1 | ||||
| ? | 1241 313 H1 | PLUG, THREADED | 1 | ||||
| ? | 1239 931 H1 | CORE, COOLER | 2 | ||||
| ? | 1239 934 H91 | PLUG, THREADED | 1 | ||||
| ? | 1250 824 H1 | HOUSING, OIL COOLER | 1 | ||||
| ? | 120 382 | WASHER, LOCK | 11 | ||||
| ? | 1238 237 H1 | WASHER, PLAIN | 11 | ||||
| ? | 1241 309 H1 | BOLT (3/8 - 16x1 3/4 INCH) | 4 | ||||
| ? | 1241 336 H1 | BOLT (3/8 - 16x1 5/8 INCH) | 2 | ||||
| ? | 1239 759 H1 | BOLT (3/8 - 16x1 1/4 INCH) | 10 | ||||
| ? | 1239 776 H1 | BOLT (3/8 - 16x4 INCH) | 7 | ||||
| ? | 1295 168 H1 | BOLT (3/8 - 16x11 1/4 INCH) | 7 | ||||
| ? | 1239 878 H2 | GASKET, LUBE OIL CIR HOUSING | 1 |