| Номер на схеме | Каталожный номер | Название | Количество | Детали | |||
|---|---|---|---|---|---|---|---|
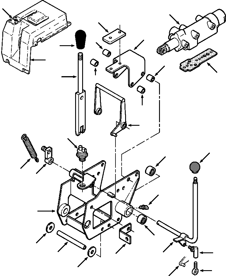
| ? | (1297 896 H91) | TRANSMISSION AND CONTROLS | -54 | F1 | |||
| ? | • TRANSMISSION (SEE PG 07-036) | -29 | 07-036 | ||||
| ? | 1280 820 H91 | • HOUSING ASSY, CONTROLS | 1 | ||||
| ? | (NSS) | • • HOUSING, CONTROL | 1 | ||||
| ? | 740 465 C91 | • • BEARING, SEALED | 2 | a | |||
| ? | 740 466 C91 | • • BEARING, SEALED | 2 | b | |||
| ? | 126 152 | • • FITTING, LUBE - 45° | 1 | ||||
| ? | 26 309 R1 | • BOLT, MOUNTING - 3/8NCx3/4 | 2 | ||||
| ? | 25 544 R1 | • WASHER, FLAT - 3/8 | 4 | ||||
| ? | 25 522 R1 | • NUT, HEX - 3/8NC | 2 | ||||
| ? | 1262 524 H1 | • BRACKET, MOUNTING | 1 | ||||
| ? | 24 839 R1 | • BOLT, MOUNTING - 3/8NCx3/4 | 2 | ||||
| ? | 9413 979 | • NUT, LOCK - 3/8NC | 2 | ||||
| ? | 1283 323 H91 | • GUIDE, TRANSMISSION LEVER | 1 | ||||
| ? | 1262 307 H91 | • LEVER, TRANSMISSION CONTROL | 1 | ||||
| ? | 27 128 H | • PIN, ROD END | 1 | ||||
| ? | 52 917 R1 | • WASHER, FLAT | 1 | ||||
| ? | 103 384 | • PIN, COTTER - 1/8x3/4 | 1 | ||||
| ? | 1283 325 H1 | • BLOCK, GUIDE | 1 | ||||
| ? | 25 222 R1 | • BOLT, MOUNTING - 1/4NCx3/4 | 2 | ||||
| ? | 25 542 R1 | • WASHER, FLAT - 1/4 | 2 | ||||
| ? | 1236 009 H1 | • KNOB, LEVER | 1 | ||||
| ? | 617 112 C1 | • SHAFT, MOUNTING | 1 | ||||
| ? | 24 839 R1 | • BOLT, MOUNTING - 3/8NCx3/4 | 1 | ||||
| ? | 25 534 R1 | • WASHER, FLAT - 3/8 | 1 | ||||
| ? | 1283 324 H1 | • WASHER, THRUST | 2 | ||||
| ? | 1280 819 H91 | • LEVER, SAFETY | 1 | ||||
| ? | 307 839 R1 | • KNOB, LEVER | 1 | ||||
| ? | 1262 303 H91 | • LEVER, SPRING ANCHORED | 1 | ||||
| ? | 364 436 R1 | • PIN, ROLL - 3/6x1 | 1 | ||||
| ? | 346 019 R1 | • SPRING, RETURN | 1 | ||||
| ? | 1262 508 H91 | • BAIL, SAFETY LEVER | 1 | ||||
| ? | 25 546 R1 | • WASHER, FLAT - 1/2 | 2 | ||||
| ? | 103 384 | • PIN, COTTER - 1/8x3/4 | 2 | ||||
| ? | 281 800 C92 | • JOINT, BALL | 1 | ||||
| ? | 103 361 | • PIN, COTTER - 1/16x1/2 | 1 | ||||
| ? | 1278 146 H91 | • EYE, ROD END | 1 | ||||
| ? | 103 361 | • PIN, COTTER - 1/16x1/2 | 1 | ||||
| ? | 25 930 R1 | • NUT, JAM - 1/4NF | 2 | ||||
| ? | 666 154 C3 | • GASKET, PILOT VALVE | 1 | F2 | |||
| ? | 28 320 R1 | • BOLT, MOUNTING - 5/16x2 | 5 | ||||
| ? | 120 214 | • WASHER, FLAT - 5/16 | 5 | ||||
| ? | • VALVE, PILOT CONTROL (SEE PG 07-028) | -29 | 07-028 | ||||
| ? | 24 841 R1 | • BOLT, MOUNTING - 3/8NCx1-1/2 | 4 | ||||
| ? | 25 544 R1 | • WASHER, FLAT - 3/8 | 4 | ||||
| ? | 567 987 R1 | • SPACER, MOUNTING | 4 | ||||
| ? | • SWITCH, SAFETY START (SEE PG 08-002) | -29 | 08-002 | ||||
| ? | 1287 820 H1 | • CONSOLE, LEFT | 1 | ||||
| ? | 25 222 R1 | • BOLT, MOUNTING - 1/4NCx3/4 | 4 | ||||
| ? | 25 542 R1 | • WASHER, FLAT - 1/4NC | 4 | ||||
| ? | PRODUCT GRAPHIC, STEERING (SEE PG 02-002) | -29 | 02-002 | ||||
| ? | |||||||
| ? | F1 - PART NUMBER IS A NON-SERVICE PART AND IS LISTED FOR REFERENCE ONLY. | ||||||
| ? | |||||||
| ? | |||||||
| ? | F2 - PART OF TRANSMISSION SERVICE KIT 741 459 C94. | ||||||
| ? |