| Номер на схеме | Каталожный номер | Название | Количество | Детали | |||
|---|---|---|---|---|---|---|---|
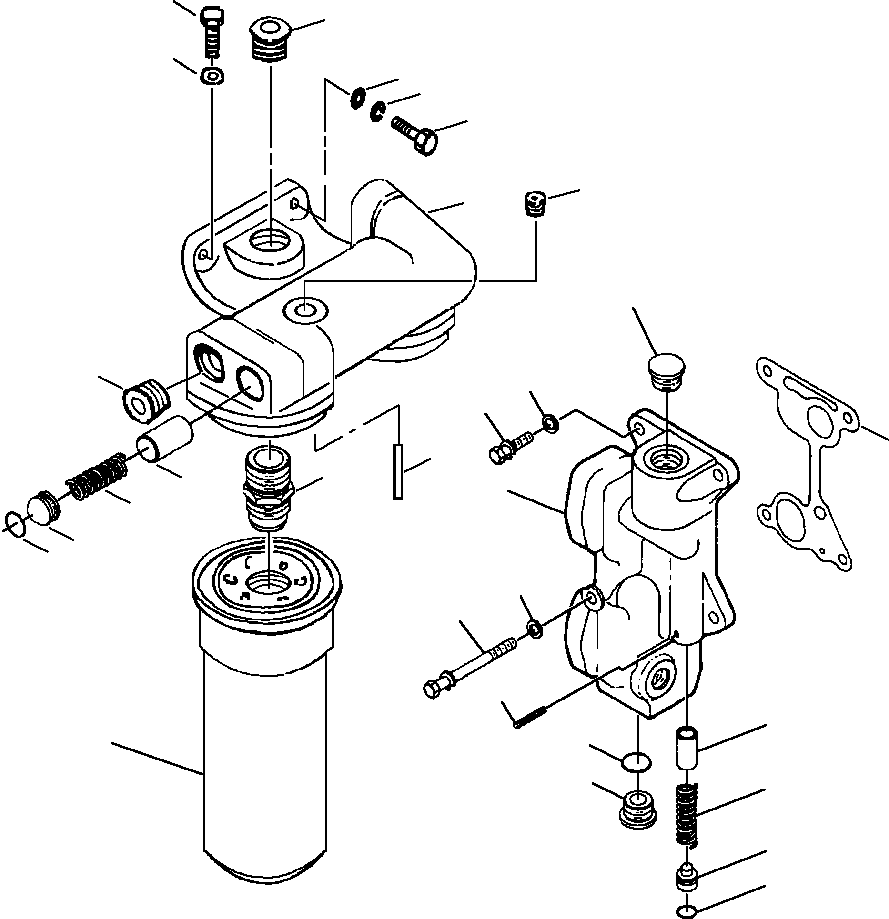
| ? | 1238 237 H1 | WASHER, PLAIN | 4 | ||||
| ? | 140 483 H | BOLT W/WASHER - 3/8NCx1-1/4 | 3 | ||||
| ? | 1239 213 H1 | BOLT W/WASHER - 3/8NCx3-3/4 | 1 | ||||
| ? | 1239 893 H1 | GASKET, LUBE OIL FILTER COVER | 1 | ||||
| ? | 1295 056 H91 | HEAD ASSY, LUBE OIL FILTER | 1 | ||||
| ? | 1238 744 H92 | • PLUG ASSY, OIL DRAIN | 1 | ||||
| ? | 1241 503 H1 | • • O-RING | 1 | ||||
| ? | 1239 830 H91 | • HEAD ASSY, LUBE OIL FILTER | 1 | ||||
| ? | 1239 676 H1 | • • ADAPTER, FILTER HEAD | 2 | ||||
| ? | 1240 037 H1 | • STOP, ACTUATOR | 1 | ||||
| ? | 1238 709 H1 | • PIN, ROLL | 2 | ||||
| ? | 1238 710 H1 | • SPRING, COMPRESSION | 1 | ||||
| ? | 1238 711 H1 | • PLUNGER, BYPASS VALVE | 1 | ||||
| ? | 1239 594 H1 | • O-RING | 1 | ||||
| ? | 1239 933 H91 | • CONNECTOR ASSY, FEMALE | 1 | ||||
| ? | 1241 503 H1 | • • O-RING | 1 | ||||
| ? | 1251 319 H1 | • • CONNECTOR, FEMALE | 1 | ||||
| ? | 1239 943 H1 | ELEMENT, LUBE OIL FILTER | 2 | ||||
| ? | 1295 057 H91 | CONNECTOR ASSY, OIL | 1 | ||||
| ? | 1239 828 H1 | • CONNECTION, OIL TRANSFER | 1 | ||||
| ? | 1238 381 H1 | • PIN, ROLL | 1 | ||||
| ? | 1238 712 H1 | • PLUNGER, PISTON COOLING VALVE | 1 | ||||
| ? | 1238 713 H1 | • PLUG, RETAINER | 1 | ||||
| ? | 1239 135 H1 | • SPRING, PISTON COOLING VALVE | 1 | ||||
| ? | 1239 513 H1 | • PLUG, PIPE | 1 | ||||
| ? | 1239 901 H1 | • O-RING | 1 | ||||
| ? | 1239 934 H91 | • PLUG ASSY | 2 | ||||
| ? | (NSS) | • • PLUG | 1 | ||||
| ? | 1241 503 H1 | • • O-RING | 1 | ||||
| ? | 1238 017 H1 | BOLT, MOUNTING | 5 | ||||
| ? | 120 382 | WASHER, LOCK | 5 | ||||
| ? | 1238 099 H1 | WASHER, PLAIN | 8 | ||||
| ? | 1238 033 H1 | BOLT, MOUNTING | 1 |