| Номер на схеме | Каталожный номер | Название | Количество | Детали | |||
|---|---|---|---|---|---|---|---|
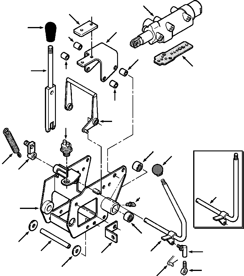
| ? | 1280 820 H91 | HOUSING ASSY, CONTROLS | 1 | ||||
| ? | (NSS) | • HOUSING, CONTROL | 1 | ||||
| ? | 740 465 C91 | • BEARING, SEALED | 2 | ||||
| ? | 126 152 | • FITTING, LUBE - 45° | 1 | ||||
| ? | 24 840 R1 | BOLT, HEX - 3/8NCx1 | 2 | ||||
| ? | 25 544 R1 | WASHER, FLAT - 3/8 | 2 | ||||
| ? | 1262 524 H1 | BRACKET, MOUNTING | 1 | ||||
| ? | 24 840 R1 | BOLT, HEX - 3/8NCx1 | 2 | ||||
| ? | 25 544 R1 | WASHER, FLAT - 3/8 | 2 | ||||
| ? | 25 522 R1 | NUT, HEX - 3/8NC | 2 | ||||
| ? | 1283 323 H91 | GUIDE, TRANSMISSION LEVER | 1 | ||||
| ? | 1262 307 H91 | LEVER, TRANSMISSION CONTROL | 1 | ||||
| ? | 27 128 H | PIN, ROD END | 1 | ||||
| ? | 52 917 R1 | WASHER, FLAT | 1 | ||||
| ? | 103 384 | PIN, COTTER - 1/8x3/4 | 1 | ||||
| ? | 1283 325 H1 | BLOCK, GUIDE | 1 | ||||
| ? | 25 222 R1 | BOLT, HEX - 1/4NCx3/4 | 2 | ||||
| ? | 25 542 R1 | WASHER, FLAT - 1/4 | 2 | ||||
| ? | 1236 009 H1 | KNOB, LEVER | 1 | ||||
| ? | 617 112 C1 | SHAFT, MOUNTING | 1 | ||||
| ? | 24 839 R1 | BOLT, HEX - 3/8NCx3/4 | 1 | ||||
| ? | 25 534 R1 | WASHER, FLAT - 3/8 | 1 | ||||
| ? | 1283 324 H1 | WASHER, THRUST | 2 | ||||
| ? | 1280 819 H91 | LEVER, SAFETY | 1 | F1 | |||
| ? | 1300 759 H91 | LEVER, SAFETY | 1 | F2 | |||
| ? | 1262 303 H91 | LEVER, SPRING ANCHORED | 1 | ||||
| ? | 364 436 R1 | PIN, ROLL - 3/6x1 | 1 | ||||
| ? | 346 019 R1 | SPRING, RETURN | 1 | ||||
| ? | 1262 508 H91 | BAIL, SAFETY LEVER | 1 | ||||
| ? | 25 546 R1 | WASHER, FLAT - 1/2 | 1 | ||||
| ? | 103 384 | PIN, COTTER - 1/8x3/4 | 1 | ||||
| ? | 281 800 C92 | JOINT, BALL | 1 | ||||
| ? | 103 361 | PIN, COTTER - 1/16x1/2 | 1 | ||||
| ? | 1278 146 H91 | EYE, ROD END | 1 | ||||
| ? | 103 361 | PIN, COTTER - 1/16x1/2 | 1 | ||||
| ? | 25 903 R1 | NUT, JAM - 1/4NF | 1 | ||||
| ? | |||||||
| ? | CONTINUED ON NEXT PAGE | ||||||
| ? | 666 154 C3 | GASKET, PILOT VALVE | 1 | F3 | |||
| ? | VALVE, PILOT (SEE PG 07-052) | -29 | 07EDTD9H.002 | ||||
| ? | 26 312 R1 | BOLT, HEX - 3/8NCx1-1/2 | 4 | ||||
| ? | 25 544 R1 | WASHER, FLAT - 3/8 | 4 | ||||
| ? | 632 287 C1 | BOLT, MANIFOLD MOUNTING - 12 POINT | 5 | ||||
| ? | 567 987 R1 | SPACER, MOUNTING | 4 | ||||
| ? | SWITCH, START (SEE PG 08-002) | -29 | F4;08ADTD9H.001 | ||||
| ? | SWITCH, START (SEE PG 08-018) | -29 | F5;08AD789H.002 | ||||
| ? | 307 839 R1 | KNOB, LEVER | 1 | ||||
| ? | |||||||
| ? | F1 - 35897 AND DOWN. | ||||||
| ? | |||||||
| ? | |||||||
| ? | F2 - 35898 AND UP. | ||||||
| ? | |||||||
| ? | |||||||
| ? | F3 - PART OF TRANSMISSION SERVICE KIT 741 453 C93. | ||||||
| ? | |||||||
| ? | |||||||
| ? | F4 - 36096 AND DOWN. | ||||||
| ? | |||||||
| ? | |||||||
| ? | F5 - 36097 AND UP. | ||||||
| ? |