| Номер на схеме | Каталожный номер | Название | Количество | Детали | |||
|---|---|---|---|---|---|---|---|
| ? | 1302 203 H91 | FRAME ASSY, C | 1 | ||||
| ? | (NSS) | • FRAME, C | 1 | ||||
| ? | 620 665 C1 | • BUSHING, TRUNNION PIN | 2 | ||||
| ? | 1268 300 H1 | • BEARING, NON-LUBE | 4 | ||||
| ? | 1268 301 H1 | • SEAL, PIN | 8 |
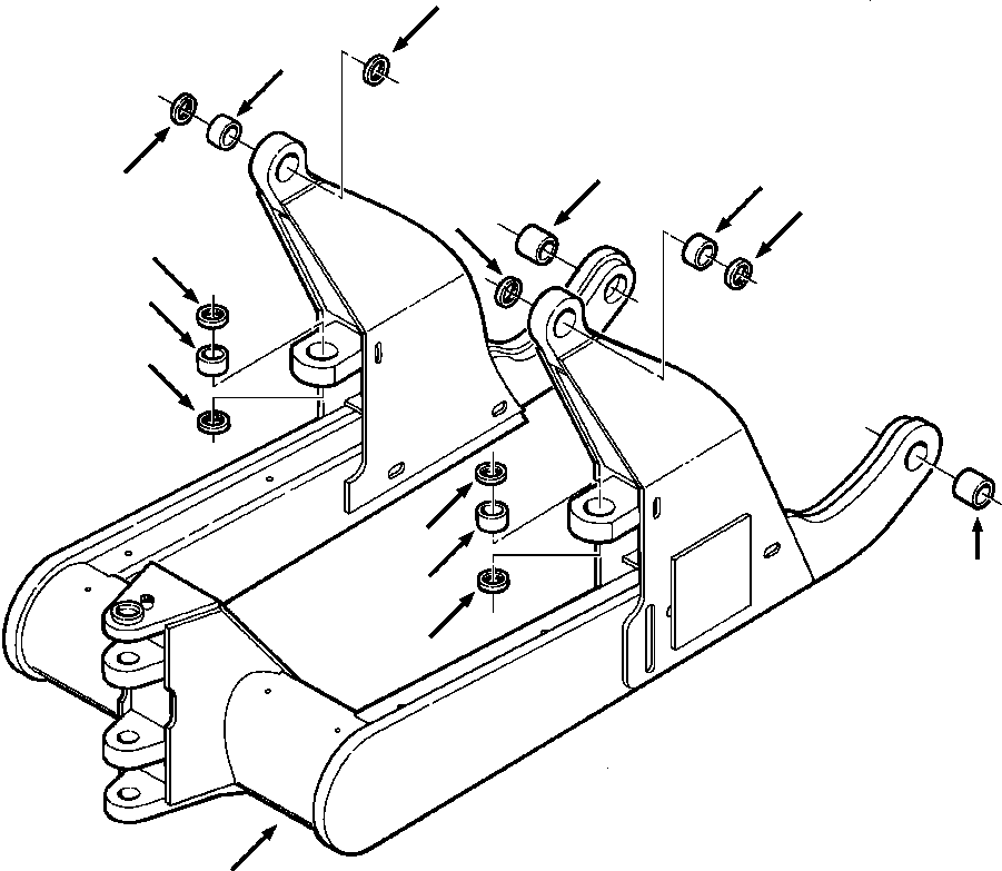
| Номер на схеме | Каталожный номер | Название | Количество | Детали | |||
|---|---|---|---|---|---|---|---|
| ? | 1302 203 H91 | FRAME ASSY, C | 1 | ||||
| ? | (NSS) | • FRAME, C | 1 | ||||
| ? | 620 665 C1 | • BUSHING, TRUNNION PIN | 2 | ||||
| ? | 1268 300 H1 | • BEARING, NON-LUBE | 4 | ||||
| ? | 1268 301 H1 | • SEAL, PIN | 8 |