k-part
Номер на схеме Каталожный номер Название Количество Детали
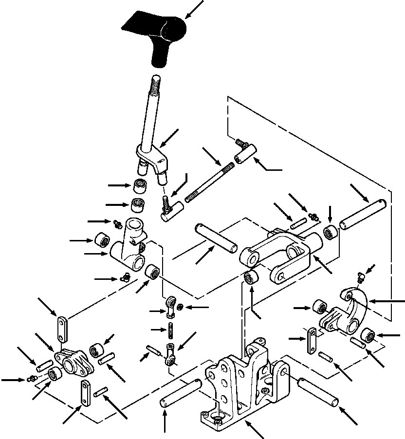
? (1268 198 H91) EQUIPMENT CONTROLS -54 F1
? 1250 600 H91 • BRACKET, CONTROL 1
? 1250 601 H93 • LEVER, CONTROL 1
? 1268 056 H2 • HANDLE, LEVER 1
? 21 063 R1 • NUT, JAM - 1/2NF 1
? 1250 606 H91 • BELLCRANK ASSY, LIFT 1
? (NSS) • • BELLCRANK, LIFT 1
? 173 892 C91 • • BEARING, SHAFT 4
? 26 052 R1 • PIN, SPRING - 3/16x1-1/2 1
? 109 454 • FITTING, LUBE 2
? 16 964 R91 • FITTING, LUBE 2
? 1268 172 H1 • SHAFT, MOUNTING 2
? 19 444 R1 • PIN, SPRING - 5/32x1-3/8 2
? 1283 175 H91 • BEARING ASSY, ROD END 1
? 1283 174 H1 • • BEARING, ROD END 1
? 1283 173 H1 • • ROD, THREADED 1
? 26 258 R1 • BOLT, HEX - 1/4NFx1-1/4 1
? 27 122 R1 • NUT, LOCK - 1/4NF 1
? 1268 599 H1 • SPACER, MOUNTING 1
? 1283 174 H1 • BEARING, ROD END 1
? 24 737 R1 • PIN, SPRING - 1/16x3/8 1
? 1278 058 H1 • PIN, MOUNTING 3
? 25 532 R1 • WASHER, FLAT - 1/4 6
? 103 362 • PIN, COTTER - 1/16x3/4 6
? 1268 820 H91 • BELLCRANK ASSY, LIFT AND TILT 1
? (NSS) • • BELLCRANK, LIFT AND TILT 1
? 173 892 C91 • • BEARING, BELLCRANK 2
? 1268 173 H1 • SHAFT, CONTROL 1
? 19 444 R1 • PIN, SPRING - 5/32x1-3/8 1
? 1268 821 H91 • BELLCRANK ASSY, TILT 1
? (NSS) • • BELLCRANK, TILT 1
? 173 892 C91 • • BEARING, BELLCRANK 2
? 16 982 R91 • FITTING, LUBE 1
? 1268 171 H1 • SHAFT, CONTROL 1
? 19 444 R1 • PIN, SPRING - 5/32x1-3/8 1
? 1267 356 H1 • LINK, CONNECTING 1
? 1267 356 H1 • LINK, CONNECTING 1
? 1269 250 H1 • LINK, CONNECTING 1
? 1283 166 H1 • PIN, MOUNTING 4
? 25 533 R1 • WASHER, FLAT - 5/16 8
? 103 362 • PIN, COTTER - 1/16x3/4 8
? 1250 614 H1 • ROD, THREADED 1
? 25 931 R1 • NUT, JAM - 5/16NF 2
? 310 673 R91 • JOINT, BALL 2
? 27 036 R1 • NUT, LOCK - 5/16NF 1
? 1268 822 H91 • BELLCRANK ASSY, ANGLE 1
? (NSS) • • BELLCRANK, ANGLE 1
? 173 892 C91 • • BEARING, BELLCRANK 2
?
? F1 - PART NUMBER IS A NON-SERVICE PART AND IS LISTED FOR REFERENCE ONLY.
?

Crawler Bulldozers DRESSTA / TD-9H S/N P045501-P046274(TD9H) / CONTROL BRACKET AND HANDLE(10-044 : 10AZ789H.003)
?
?
?
?
?
?
?
?
?
?
?
?
?
?
?
?
?
?
?
?
?
?
?
?
?
?
?
?
?
?
?
?
?
?
?
?
?
?
?
?
?
?
?