| Номер на схеме | Каталожный номер | Название | Количество | Детали | |||
|---|---|---|---|---|---|---|---|
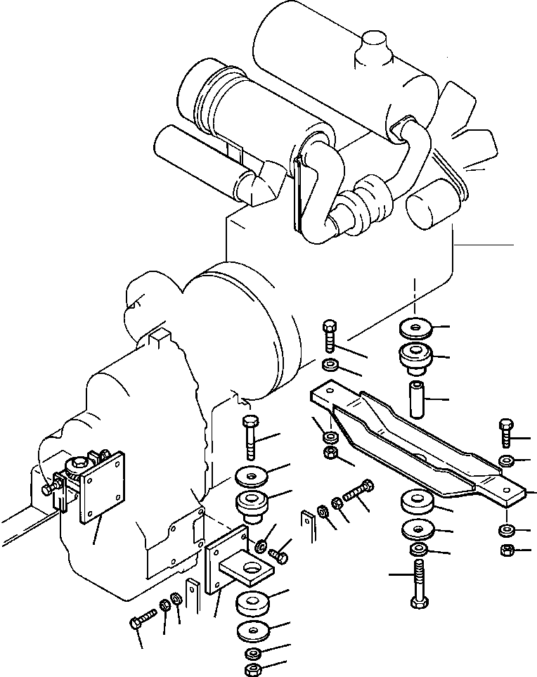
| ? | 417-14-11110 | BRACKET, TRANSMISSION MOUNTING | 2 | ||||
| ? | 01010-31650 | BOLT, MOUNT BRACKET | 8 | ||||
| ? | 01643-31645 | WASHER | 8 | ||||
| ? | 417-01-11130 | CUSHION ASSEMBLY, TRANSMISSION | |||||
| ? | 419-01-11161 | WASHER | 4 | ||||
| ? | 01011-32230 | BOLT, MOUNT CUSHION | 2 | ||||
| ? | 417-01-11120 | NUT | 2 | ||||
| ? | 01643-32260 | WASHER | 2 | ||||
| ? | 01016-31260 | BOLT | 4 | ||||
| ? | 01580-01210 | NUT | 4 | ||||
| ? | 01643-31232 | WASHER | 4 | ||||
| ? | 417-01-11130 | CUSHION ASSEMBLY, ENGINE MOUNT | 1 | ||||
| ? | 419-01-11162 | WASHER | 2 | ||||
| ? | 02011-51014 | BOLT, MOUNT CUSHION | 1 | ||||
| ? | 01643-31645 | WASHER | 1 | ||||
| ? | 418-01-A1750 | SPACER | 1 | ||||
| ? | 418-01-A1740 | SUPPORT, FRONT ENGINE MOUNT | 1 | ||||
| ? | 01010-31660 | BOLT, MOUNT SUPPORT | 2 | ||||
| ? | 01643-31645 | WASHER | 4 | ||||
| ? | 01580-01613 | NUT | 2 | ||||
| ? | 417-01-A1110 | ENGINE ASSEMBLY, 610T | 1 | F1 | |||
| ? | |||||||
| ? | F1 - FOR SERVICE PARTS, SEE SECTION E. | ||||||
| ? |