| Номер на схеме | Каталожный номер | Название | Количество | Детали | |||
|---|---|---|---|---|---|---|---|
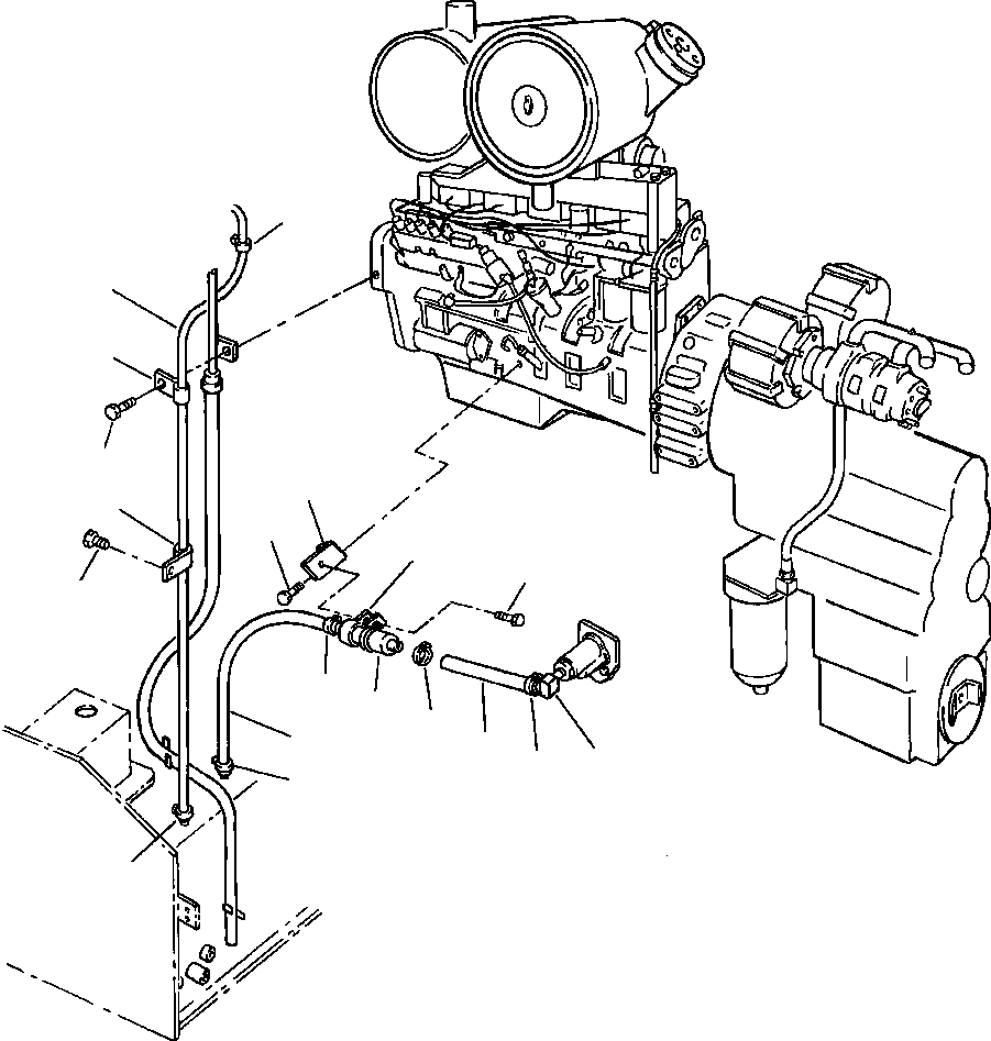
| ? | 419-04-A1140 | HOSE (CUT TO LENGTH 18 INCHES LONG) | 1 | ||||
| ? | 07281-00167 | CLAMP | 2 | ||||
| ? | 207-04-A1100 | STRAINER, FUEL LINE | 1 | ||||
| ? | 23T-62-12160 | CLIP, FUEL STRAINER MOUNTING | 1 | ||||
| ? | 425-46-14130 | PLATE | 1 | ||||
| ? | 01435-01220 | BOLT | 1 | ||||
| ? | 01435-01020 | BOLT | 1 | ||||
| ? | 419-04-A1150 | HOSE | 1 | ||||
| ? | 07281-00167 | CLAMP | 2 | ||||
| ? | 864 457 R1 | ELBOW | 1 | ||||
| ? | 419-04-A1190 | HOSE | 1 | ||||
| ? | 07281-00167 | CLAMP | 2 | ||||
| ? | 01435-01016 | BOLT | 2 | ||||
| ? | 04434-51510 | CLIP | 2 |