k-part
Номер на схеме Каталожный номер Название Количество Детали
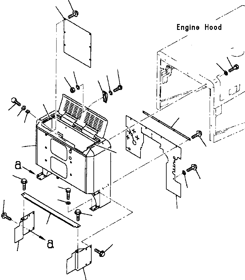
? 423-54-21840 BULKHEAD 1
? 423-54-21320 SEAL, DOOR 2
? 421-09-12321 HOLDER 1
? 01220-40412 SCREW 5
? 01601-20410 WASHER, SPRING 10
? 01580-60403 NUT 5
? 423-950-2110 PLATE 1 F1
? 01435-01016 BOLT 6 F1
? 423-54-21510 COVER, L.H 1
? 423-54-21520 COVER, R.H 1
? 423-54-21530 PLATE 1
? 01435-01220 BOLT 8
? 01435-01020 BOLT 2
? 423-54-21550 RUBBER 1
? 421-54-21350 PLATE 1
? 01435-01020 BOLT 6
? 421-62-14740 WASHER 2
? 01010-51430 BOLT 6
? 01643-31445 WASHER 6
? 01010-51225 BOLT 3
? 01643-31232 WASHER 3
?
? F1 - ON MACHINES NOT EQUIPPED WITH AIR CONDITIONING.
?

Wheel Loaders Komatsu / WA380-3L S/N A50001-UP(WA3803) / BULKHEAD(05-038 : 05-038)
?
?
?
?
?
?
?
?
?
?
?
?
?
?
?
?
?
?
?
?
?
?
?
?
?
?
?
?
?