| Наименование | Страница | Код страницы |
|---|---|---|
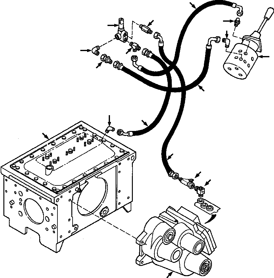
| FIG. F2300-08A0 NEUTRAL START VALVE | F-052 | F2300-08A0 |
| FIG. F2300-09A0 TRANS/STEER CONTROL VALVE | F-054 | F2300-09A0 |
| FIG. F2320-51A0 TRANSMISSION - COMPLETE ASSEMBLY | F-064 | F2320-51A0 |
| FIG. J2100-02A0 FRAME AND CONNECTIONS | J-002 | J2100-02A0 |
| Номер на схеме | Каталожный номер | Название | Количество | Детали | |||
|---|---|---|---|---|---|---|---|
| ? | 1308 818 H1 | HOSE, REG M PORT TO NEUTRAL VALVE | 1 | SN: P086301 -- |
|||
| ? | 1306 410 H92 | FILTER, FITTING | 1 | SN: P086301 -- |
|||
| ? | 570 828 R1 | RING, SEAL | 1 | SN: P086301 -- |
|||
| ? | 9410 977 | ELBOW, 90° OUTLET | 2 | SN: P086301 -- |
|||
| ? | 570 828 R1 | RING, SEAL | 2 | SN: P086301 -- |
|||
| ? | 1306 591 H1 | HOSE, NEUTRAL VALVE TO STRG VALVE | 1 | SN: P086301 -- |
|||
| ? | 9410 335 | TEE | 1 | SN: P086301 -- |
|||
| ? | 9411 131 | TEE | 1 | SN: P086301 -- |
|||
| ? | 570 828 R1 | RING, SEAL | 4 | SN: P086301 -- |
|||
| ? | 1308 820 H1 | HOSE, STEERING VALVE DRAIN TO TEE | 1 | SN: P086301 -- |
|||
| ? | 9410 203 | CONNECTOR | 1 | SN: P086301 -- |
|||
| ? | 570 828 R1 | RING, SEAL | 1 | SN: P086301 -- |
|||
| ? | 1308 821 H1 | HOSE, TEE TO RMF COVER | 1 | SN: P086301 -- |
|||
| ? | 333 934 R1 | ELBOW, 90° | 1 | SN: P086301 -- |
|||
| ? | 1309 328 H91 | FITTING, SWIVEL | 1 | SN: P086301 -- |
|||
| ? | 1308 378 H1 | ELBOW, REGULATOR 90° (M PORT) | 1 | SN: P086301 -- |