| Наименование | Страница | Код страницы |
|---|---|---|
| FIG. F2300-02A1 BRAKE PAD | F-008 | F2300-02A1 |
| FIG. F2300-02A2 BRAKE SUPPORT BRACKET | F-010 | F2300-02A2 |
| FIG. F2300-02A3 BRAKES - SHOES AND LEVERS | F-012 | F2300-02A3 |
| FIG. F2300-02A7 BRAKE CYLINDER | F-020 | F2300-02A7 |
| FIG. F2300-02A8 STEERING AND BRAKE CYLINDER CONNECTIONS | F-022 | F2300-02A8 |
| FIG. K2400-06A0 BRAKE/DECELERATION PEDAL AND BRACKET | K-084 | K2400-06A0 |
| FIG. K2400-06A1 SECONDARY BRAKE PEDAL AND BRACKET | K-086 | K2400-06A1 |
| Номер на схеме | Каталожный номер | Название | Количество | Детали | |||
|---|---|---|---|---|---|---|---|
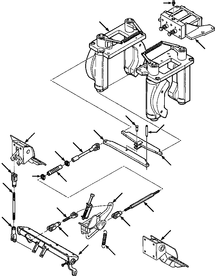
| ? | 1308 102 H91 | BRAKES AND CONTROLS | 1 | SN: P086301 -- |
F1 | ||
| ? | 25 274 R1 | • BOLT, HEX - 1/2NCx1-1/8 | 3 | SN: P086301 -- |
|||
| ? | 116 121 | • WASHER, LOCK - 1/2 | 3 | SN: P086301 -- |
|||
| ? | 1258 315 H91 | • ROD, FINAL BRAKE | 1 | SN: P086301 -- |
|||
| ? | 16 619 R1 | • PIN, CLEVIS - 1/2x1-23/64 | 1 | SN: P086301 -- |
|||
| ? | 103 385 | • PIN, COTTER - 1/8x1 | 1 | SN: P086301 -- |
|||
| ? | 25 527 R1 | • NUT, HEX - 1/2NF | 1 | SN: P086301 -- |
|||
| ? | 144 256 | • CLEVIS, ROD END | 3 | SN: P086301 -- |
|||
| ? | 25 527 R1 | • NUT, HEX - 1/2NF | 3 | SN: P086301 -- |
|||
| ? | 16 619 R1 | • PIN, CLEVIS - 1/2x1-23/64 | 4 | SN: P086301 -- |
|||
| ? | 103 385 | • PIN, COTTER - 1/8x1 | 4 | SN: P086301 -- |
|||
| ? | 26 316 R1 | • BOLT, HEX - 1/2NCx1 | 6 | SN: P086301 -- |
|||
| ? | 25 555 R1 | • WASHER, FLAT - 1/2 | 6 | SN: P086301 -- |
|||
| ? | 1258 312 H1 | • ROD, MAIN BRAKE | 1 | SN: P086301 -- |
|||
| ? | 24 861 R1 | • BOLT, HEX - 1/2NCx1-1/4 | 4 | SN: P086301 -- |
|||
| ? | 25 536 R1 | • WASHER, FLAT - 1/2 | 4 | SN: P086301 -- |
|||
| ? | 1287 522 H1 | • ROD, TURNBUCKLE | 1 | SN: P086301 -- |
|||
| ? | 19 457 R1 | • YOKE, LH THREAD | 1 | SN: P086301 -- |
|||
| ? | 145 406 | • NUT, JAM - 1/2NF | 1 | SN: P086301 -- |
|||
| ? | 16 619 R1 | • PIN, CLEVIS - 1/2x1-23/64 | 1 | SN: P086301 -- |
|||
| ? | 103 385 | • PIN, COTTER - 1/8x1 | 1 | SN: P086301 -- |
|||
| ? | 652 827 C1 | • CLEVIS, BRAKE ROD | 1 | SN: P086301 -- |
|||
| ? | 25 527 R1 | • NUT, JAM - 1/2NF | 1 | SN: P086301 -- |
|||
| ? | 103 499 R1 | • PIN, CLEVIS - 5/8x1-39/64 | 1 | SN: P086301 -- |
|||
| ? | 103 385 | • PIN, COTTER - 1/8x1 | 1 | SN: P086301 -- |
|||
| ? | 652 829 C1 | • BOOT, CONTROL ROD | 1 | SN: P086301 -- |
|||
| ? | 122 316 R91 | • CLAMP, BOOT | 2 | SN: P086301 -- |
|||
| ? | 1286 903 H1 | • SPRING, RETURN | 1 | SN: P086301 -- |
|||
| ? | 621 318 C1 | • SUPPORT, BRAKE ACTUATOR | 1 | SN: P086301 -- |
|||
| ? | 621 319 C1 | • PIN, PIVOT | 1 | SN: P086301 -- |
|||
| ? | 21 853 H1 | • • PIN, CLEVIS - 1/2x1-1/2 | 1 | SN: P086301 -- |
|||
| ? | 103 385 | • • PIN, COTTER - 1/8x1 | 1 | SN: P086301 -- |
|||
| ? | 621 310 C2 | • • SUPPORT, BRAKE EQUALIZER | 1 | SN: P086301 -- |
|||
| ? | 24 861 R1 | BOLT, HEX - 1/2NCx1-1/4FRONT | 2 | SN: P086301 -- |
|||
| ? | 24 866 R1 | BOLT, HEX - 1/2NCx2-1/2REAR | 2 | SN: P086301 -- |
|||
| ? | 25 546 R1 | WASHER, FLAT - 1/2 | 4 | SN: P086301 -- |
|||
| ? | |||||||
| ? | F1 PART NUMBER IS A NONSERVICE PART AND IS LISTED FOR REFERENCE ONLY. ORDER INDIVIDUAL PIECE PARTS. | ||||||
| ? |