| Номер на схеме | Каталожный номер | Название | Количество | Детали | |||
|---|---|---|---|---|---|---|---|
| ? | (124-15-00030) | TRANSMISSION ASS'Y | 1 | SN: B20001- |
|||
| ? | THIS ASSEMBLY CONSISTS OF ALL PARTS SHOWN IN FIGS.F2320-01A0 TO F2320-13A0. | ||||||
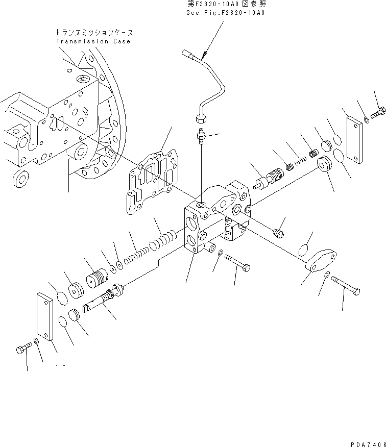
| ? | 124-15-01110 | • VALVE ASS'Y,PRESSURE | 1 | SN: B20001- |
|||
| ? | 124-15-55110 | • • BODY¤ VALVE | 1 | SN: B20001- |
|||
| ? | 124-15-55320 | • • SPOOL | 1 | SN: B20001- |
|||
| ? | 124-15-55221 | • • VALVE | 1 | SN: B20001- |
|||
| ? | 124-15-55280 | • • SPRING,(L= 60.5) | 1 | SN: B20001- |
|||
| ? | 124-15-55290 | • • SPRING,(L= 64.0) | 1 | SN: B20001- |
|||
| ? | 124-15-55210 | • • SPOOL | 1 | SN: B20001- |
|||
| ? | 103-15-15450 | • • VALVE | 1 | SN: B20001- |
|||
| ? | 103-15-15460 | • • VALVE | 1 | SN: B20001- |
|||
| ? | 125-15-15290 | • • SPRING,(L= 26.0) | 1 | SN: B20001- |
|||
| ? | 104-15-25330 | • • STOPPER | 2 | SN: B20001- |
|||
| ? | 07000-73025 | • • O-RING (K3) | 2 | SN: B20001- |
|||
| ? | 113-15-25260 | • • SHIM¤ 0.5MM | 3 | SN: B20001- |
|||
| ? | 113-15-25270 | • • SHIM¤ 0.2MM | 3 | SN: B20001- |
|||
| ? | 569-15-36480 | • • SHIM¤ 0.5MM NOT SHOWN | 3 | SN: B20001- |
|||
| ? | 104-15-25340 | • • STOPPER | 2 | SN: B20001- |
|||
| ? | 07000-72020 | • • O-RING (K3) | 2 | SN: B20001- |
|||
| ? | 103-15-25350 | • • PLATE | 2 | SN: B20001- |
|||
| ? | 01010-50820 | • • BOLT | 4 | SN: B20001- |
|||
| ? | 01643-50823 | • • WASHER | 4 | SN: B20001- |
|||
| ? | 07042-00211 | • • PLUG | 1 | SN: B20001- |
|||
| ? | 07213-50710 | • CONNECTOR | 1 | SN: B20001- |
|||
| ? | 07336-50516 | • FLANGE | 1 | SN: B20001- |
|||
| ? | 07000-73025 | • O-RING (K3) | 1 | SN: B20001- |
|||
| ? | 01010-80875 | • BOLT | 2 | SN: B20001- |
|||
| ? | 01010-80860 | • BOLT | 8 | SN: B20001- |
|||
| ? | 01643-50823 | • WASHER | 10 | SN: B20001- |
|||
| ? | 124-15-55140 | • GASKET (K3) | 1 | SN: B20001- |