| Номер на схеме | Каталожный номер | Название | Количество | Детали | |||
|---|---|---|---|---|---|---|---|
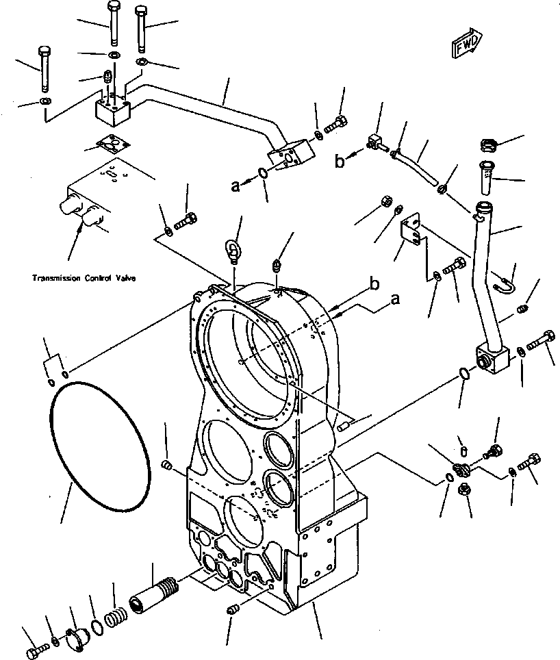
| ? | 427-15-00013 | TRANSMISSION ASS'Y | 1 | ||||
| ? | 427-15-00180 | • CASE ASS'Y | 1 | ||||
| ? | (NSS) | • • CASE | 1 | ||||
| ? | 07042-70211 | • • PLUG | 1 | ||||
| ? | 07043-72026 | • • PLUG | 2 | ||||
| ? | 01721-11617 | • • PLUG | 4 | ||||
| ? | 04530-03655 | • BOLT, EYE | 2 | ||||
| ? | 04020-01842 | • PIN, DOWEL | 1 | ||||
| ? | 198-15-29610 | • O-RING | 1 | F1 | |||
| ? | 07000-73035 | • O-RING | 2 | F1 | |||
| ? | 425-15-11710 | • MAGNET ASS'Y | 3 | ||||
| ? | 287-15-11560 | • SPRING | 3 | ||||
| ? | 427-15-13390 | • COVER | 3 | ||||
| ? | 07000-02075 | • O-RING | 3 | F1 | |||
| ? | 01010-51240 | • BOLT | 6 | ||||
| ? | 01643-31232 | • WASHER | 6 | ||||
| ? | 427-15-18102 | • TUBE | 1 | ||||
| ? | 07056-10045 | • STRAINER | 1 | ||||
| ? | 07051-00000 | • CAP | 1 | ||||
| ? | 07000-73048 | • O-RING | 1 | F1 | |||
| ? | 01011-51210 | • BOLT | 4 | ||||
| ? | 01643-31232 | • WASHER | 4 | ||||
| ? | 6693-22-5600 | • VALVE ASS'Y | 1 | ||||
| ? | (NSS) | • • BODY | 1 | ||||
| ? | (NSS) | • • VALVE | 1 | ||||
| ? | 426-60-15160 | • • PLUG | 1 | ||||
| ? | 04020-00514 | • • PIN, DOWEL | 1 | ||||
| ? | 07000-73028 | • O-RING | 1 | F1 | |||
| ? | 01010-51030 | • BOLT | 2 | ||||
| ? | 01643-31032 | • WASHER | 2 | ||||
| ? | 427-15-18120 | • BRACKET | 1 | ||||
| ? | 01010-51230 | • BOLT | 2 | ||||
| ? | 01643-31232 | • WASHER | 2 | ||||
| ? | 07283-36155 | • CLIP | 1 | ||||
| ? | 06143-31032 | • WASHER | 2 | ||||
| ? | 01582-11008 | • NUT | 2 | ||||
| ? | 427-15-11610 | • ELBOW | 1 | ||||
| ? | 07260-20936 | • HOSE | 1 | ||||
| ? | 07281-00197 | • CLAMP | 2 | ||||
| ? | 427-16-11420 | • TUBE | 1 | ||||
| ? | 07000-73045 | • O-RING | 1 | F1 | |||
| ? | 427-15-15930 | • GASKET | 1 | F1 | |||
| ? | 01010-51290 | • BOLT | 4 | ||||
| ? | 01643-31232 | • WASHER | 4 | ||||
| ? | 427-15-16410 | • BOLT | 1 | ||||
| ? | 427-15-16420 | • BOLT | 1 | ||||
| ? | 01010-51085 | • BOLT | 2 | ||||
| ? | 01643-31032 | • WASHER | 4 | ||||
| ? | 07042-20415 | • PLUG | 3 | ||||
| ? | 07042-20108 | • PLUG | 1 | ||||
| ? | 01010-51665 | • BOLT | 11 | ||||
| ? | 01643-31645 | • WASHER | 11 | ||||
| ? | 427-15-05011 | SERVICE KIT, TRANSMISSION | 1 | ||||
| ? | |||||||
| ? | F1 - PART OF TRANSMISSION SERVICE KIT 427-15-05011. | ||||||
| ? |