k-part
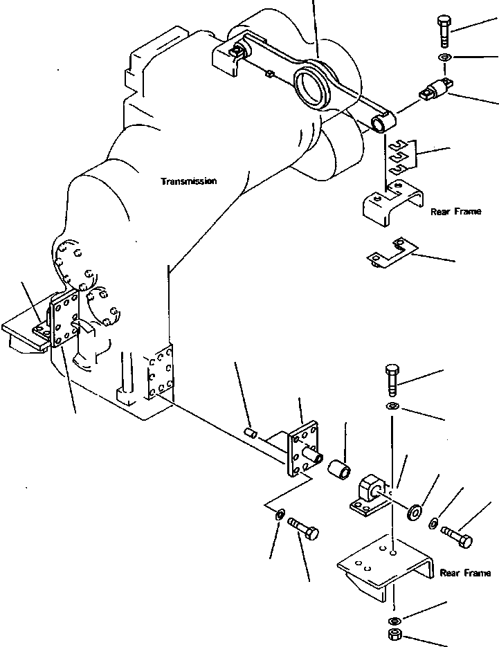
Номер на схеме Каталожный номер Название Количество Детали
? 427-14-11120 PIN 2
? 04020-01842 PIN, DOWEL 4
? 01010-62470 BOLT 12
? 01643-32460 WASHER 12
? 569-14-41130 CUSHION 2
? 427-14-11130 BRACKET 2
? 15R-70-14180 PLATE 2
? 01010-62040 BOLT 2
? 01643-32060 WASHER 2
? 01010-62480 BOLT 8
? 01643-32460 WASHER 16
? 01580-02419 NUT 8
? 427-14-11111 TRUNNION 1
? 568-16-12151 CUSHION 2
? 427-09-11210 SHIM, 0.5MM 32
? 427-14-11141 PLATE 2
? 01010-62085 BOLT 4
? 01643-32060 WASHER 4

Wheel Loaders Komatsu / WA800-2LC S/N A20020-UP(WA8002LC) / FIG NO. 2051 TORQFLOW MOUNTING PARTS(02-008 : 07CDW800.001)
?
?
?
?
?
?
?
?
?
?
?
?
?
?
?
?
?
?
?
?
?
?