k-part
Номер на схеме Каталожный номер Название Количество Детали
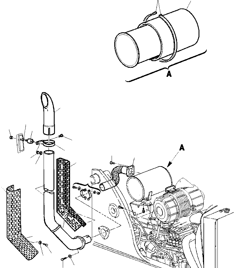
? 312607053 HOSE 1
SN: A70001--
? 801015088 BOLT 4
SN: A70001--
? 802670075 CLAMP 1
SN: A70001--
? 312607055 PIPE, STUB EXHAUST 1
SN: A70001--
? 802170002 WASHER 3
SN: A70001--
? 801015110 BOLT 3
SN: A70001--
? 312607075 PROTECTION, OUTWARD SIDE 1
SN: A70001--
? 802170002 WASHER 4
SN: A70001--
? 801015106 BOLT 4
SN: A70001--
? 808001043 DAMPER 1
SN: A70001--
? 801920104 NUT 4
SN: A70001--
? 312607676 COVER, MUFFLER 1
SN: A70001--
? 885190010 CLAMP 3
SN: A70001--
? 312607088 PROTECTION, INWARD SIDE 1
SN: A70001--
? 312607680 PIPE, EXHAUST STACK 1
SN: A70001--
? 312607106 CLAMP 1
SN: A70001--
? 801015087 BOLT 1
SN: A70001--
? 802170001 WASHER, FLAT 2
SN: A70001--

Backhoeloaders Komatsu / WB150PS-2N S/N A70001-A70009(WB150P2N) / FIG. B1120-02A0 MUFFLER(B-010 : B1120-02A0)
?
?
?
?
?
?
?
?
?
?
?
?
?
?
?
?
?
?
?
?