| Номер на схеме | Каталожный номер | Название | Количество | Детали | |||
|---|---|---|---|---|---|---|---|
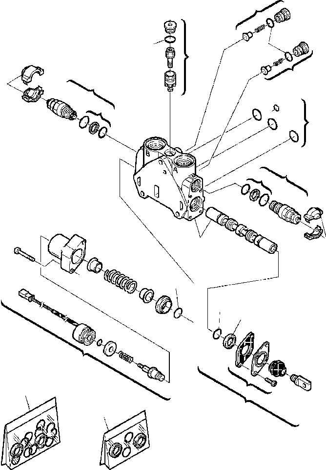
| ? | SHOVEL CONTROL VALVE(SEE FIG.H6260-02A0) | SN: A40001 -- |
H6260-02A0 | ||||
| ? | • BLOCK ASSEMBLY, SHOVEL DUMPING (WITH RETURN TO DIG) (SEE FIG. H6260-02A0) | SN: A40001 -- |
H6260-02A0 | ||||
| ? | (NSS) | • • HOUSING KIT | 1 | SN: A40001 -- |
|||
| ? | 844200503 | • • COMPENSATOR KIT | 1 | SN: A40001 -- |
|||
| ? | 844200416 | • • VALVE KIT | 2 | SN: A40001 -- |
|||
| ? | 844200422 | • • SECONDARY VALVE | 2 | SN: A40001 -- |
|||
| ? | 844200174 | • • • GASKET KIT | 1 | SN: A40001 -- |
|||
| ? | 844200423 | • • LOCKING COVER KIT (ORANGE) | 1 | SN: A40001 -- |
|||
| ? | 844200424 | • • LOCKING COVER KIT (BLUE) | 1 | SN: A40001 -- |
|||
| ? | 844200615 | • • OPERATION KIT | 1 | SN: A40001 -- |
|||
| ? | 844200427 | • • • BELLOWS KIT | 1 | SN: A40001 -- |
|||
| ? | 844200467 | • • COVER KIT | 1 | SN: A40001 -- |
|||
| ? | 844200504 | • • GASKET KIT | 1 | SN: A40001 -- |
|||
| ? | 844200509 | • • • GASKET KIT | 1 | SN: A40001 -- |
|||
| ? | (NSS) | • • • • OIL SEAL | 1 | SN: A40001 -- |
|||
| ? | (NSS) | • • • • O-RING | 2 | SN: A40001 -- |
|||
| ? | 844200413 | • • • GASKET KIT | 1 | SN: A40001 -- |
|||
| ? | (NSS) | • • • • O-RING | 2 | SN: A40001 -- |
|||
| ? | (NSS) | • • • • O-RING | 1 | SN: A40001 -- |