| Номер на схеме | Каталожный номер | Название | Количество | Детали | |||
|---|---|---|---|---|---|---|---|
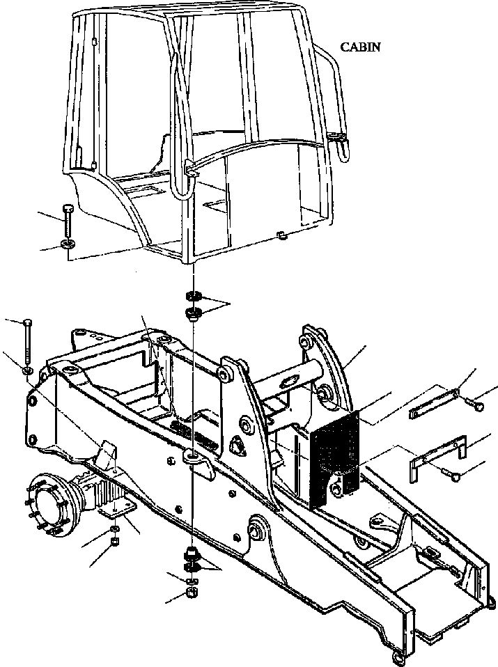
| ? | 312601067 | FRAME, HORIZONTAL OUTRIGGER | 1 | SN: A40001 -- |
|||
| ? | 312601601 | PLATE | 2 | SN: A40001 -- |
|||
| ? | 312606618 | BOLT | 8 | SN: A40001 -- |
|||
| ? | 801880220 | NUT, SELF-LOCKING | 8 | SN: A40001 -- |
|||
| ? | 802170007 | WASHER | 16 | SN: A40001 -- |
|||
| ? | 312605755 | PANEL, SQUAB | 1 | SN: A40001 -- |
|||
| ? | 312605756 | BAR, RETAINER | 1 | SN: A40001 -- |
|||
| ? | 801015112 | BOLT | 4 | SN: A40001 -- |
|||
| ? | 312605106 | BRACKET, RETAINER | 1 | SN: A40001 -- |
|||
| ? | 808001069 | DAMPER | 4 | SN: A40001 -- |
|||
| ? | 801015661 | BOLT | 4 | SN: A40001 -- |
|||
| ? | 802170007 | WASHER | 4 | SN: A40001 -- |
|||
| ? | 801880220 | NUT, SELF-LOCKING | 4 | SN: A40001 -- |
|||
| ? | 390605087 | WASHER | 4 | SN: A40001 -- |
|||
| ? | 312610648 | GASKET | 2 | SN: A40001 -- |