| Номер на схеме | Каталожный номер | Название | Количество | Детали | |||
|---|---|---|---|---|---|---|---|
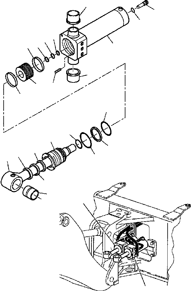
| ? | 395005017 | R.H. BOOM SWING CYLINDER ASSEMBLY | 1 | SN: A40001 -- |
|||
| ? | 395005018 | L.H. BOOM SWING CYLINDER ASSEMBLY | 1 | SN: A40001 -- |
|||
| ? | 395187012 | • ROD | 1 | SN: A40001 -- |
|||
| ? | 390601058 | • BUSHING | 1 | SN: A40001 -- |
|||
| ? | 395330011 | • HEAD, CYLINDER | 1 | SN: A40001 -- |
|||
| ? | 395273018 | • PISTON | 1 | SN: A40001 -- |
|||
| ? | 500468851 | • RING | 1 | SN: A40001 -- |
|||
| ? | 500252046 | • RING | 1 | SN: A40001 -- |
|||
| ? | 802250530 | • RING | 1 | SN: A40001 -- |
|||
| ? | 500213004 | • BUSHING | 2 | SN: A40001 -- |
|||
| ? | 395090011 | • CYLINDER, RIGHT | 1 | SN: A40001 -- |
|||
| ? | OR | ||||||
| ? | 395091011 | • CYLINDER, LEFT | 1 | SN: A40001 -- |
|||
| ? | 312705602 | • PLUG, CYLINDER | 1 | SN: A40001 -- |
|||
| ? | 878000542 | • GASKET KIT | 1 | SN: A40001 -- |
|||
| ? | (NSS) | • • GASKET | 1 | SN: A40001 -- |
|||
| ? | (NSS) | • • O-RING | 1 | SN: A40001 -- |
|||
| ? | (NSS) | • • O-RING | 1 | SN: A40001 -- |
|||
| ? | (NSS) | • • RING | 1 | SN: A40001 -- |
|||
| ? | (NSS) | • • O-RING | 1 | SN: A40001 -- |
|||
| ? | (NSS) | • • GASKET | 1 | SN: A40001 -- |
|||
| ? | (NSS) | • • RING, WEAR | 1 | SN: A40001 -- |
|||
| ? | (NSS) | • • RING, SCRAPER | 1 | SN: A40001 -- |
|||
| ? | (NSS) | • • GASKET | 1 | SN: A40001 -- |
|||
| ? | (NSS) | • • O-RING | 1 | SN: A40001 -- |
|||
| ? | 801456086 | SCREW | 1 | SN: A40001 -- |