k-part
Номер на схеме Каталожный номер Название Количество Детали
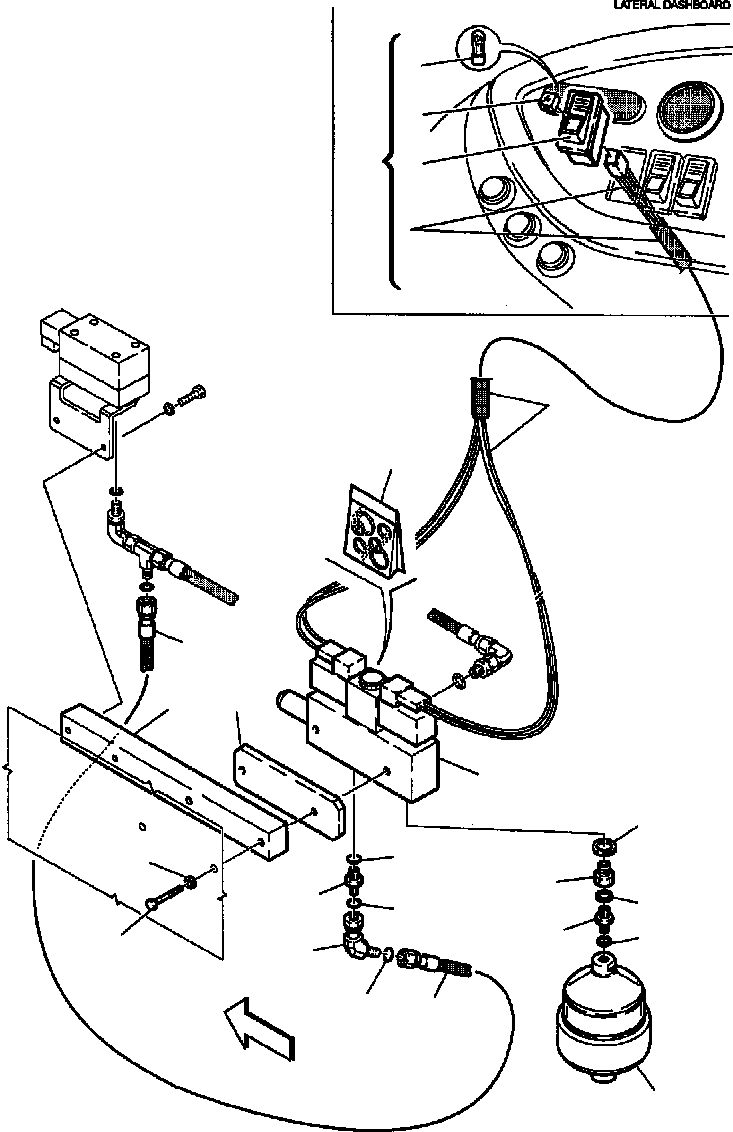
? 312691602 SUPPORT 1
? 845010307 RIDE CONTROL ELECTRO-VALVE 1
? (NSS) • GASKET KIT 1
? 885270649 WIRING ASSEMBLY 1
? 885081155 • SWITCH 1
? 885141225 • COVER GLASS 1
? 885141072 • LAMP 1
? 801015561 BOLT 2
? 802170002 WASHER 2
? 855150078 GASKET 1
? 390021047 UNION 1
? 855150054 GASKET 1
? 500360815 UNION 1
? 855150039 GASKET 1
? 847001021 ACCUMULATOR 1
? 500380106 UNION 1
? 855051111 • O-RING 1
? 855051014 • O-RING 1
? 392400020 HOSE 1
? 312691606 PLATE 1
? 500380342 45° UNION 1
? 855051014 • O-RING 1

Backhoeloaders Komatsu / WB140PS-2N S/N A40001-A40033(WB140P2N) / FIG. H6900-02A0 HYDRAULIC PIPING  - RIDE CONTROL (OPTIONAL)(H-142 : H6900-02A0)
?
?
?
?
?
?
?
?
?
?
?
?
?
?
?
?
?
?
?
?
?
?
?
?