| Номер на схеме | Каталожный номер | Название | Количество | Детали | |||
|---|---|---|---|---|---|---|---|
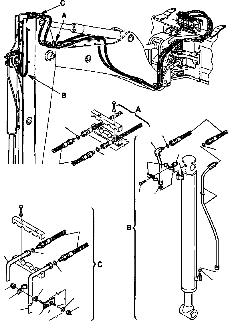
| ? | 312739073 | PIPE | 1 | ||||
| ? | 855051016 | O-RING | 6 | ||||
| ? | 312739072 | PIPE | 1 | ||||
| ? | 392860009 | HOSE | 2 | ||||
| ? | 312739620 | SPACER | 1 | ||||
| ? | 312739623 | BUCKLE | 2 | ||||
| ? | 801015560 | BOLT | 1 | ||||
| ? | 312739074 | PIPE,R.H. | 1 | ||||
| ? | 312739075 | PIPE,L.H. | 1 | ||||
| ? | 392862001 | HOSE | 2 | ||||
| ? | 855051016 | • O-RING | 2 | ||||
| ? | 312739069 | PLATE | 4 | ||||
| ? | 801880208 | SELF-LOCKING NUT | 4 | ||||
| ? | 802170001 | WASHER | 4 | ||||
| ? | 312739624 | SPACER | 4 | ||||
| ? | 312739622 | BUCKLE | 4 | ||||
| ? | 801880001 | SELF-LOCKING NUT | 4 |