| Номер на схеме | Каталожный номер | Название | Количество | Детали | |||
|---|---|---|---|---|---|---|---|
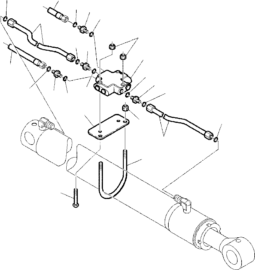
| ? | 845230002 | VALVE, SAFETY | 1 | SN: A40001 -- |
|||
| ? | 500380087 | UNION | 3 | SN: A40001 -- |
|||
| ? | 855670003 | • O-RING | 1 | SN: A40001 -- |
|||
| ? | 855051018 | • O-RING | 1 | SN: A40001 -- |
|||
| ? | 312731602 | PLATE, VALVE SUPPORT | 1 | SN: A40001 -- |
|||
| ? | 312731603 | FASTENER, U-BOLT | 1 | SN: A40001 -- |
|||
| ? | 801880001 | NUT, SELF-LOCKING | 2 | SN: A40001 -- |
|||
| ? | 801015551 | BOLT | 2 | SN: A40001 -- |
|||
| ? | 801880408 | NUT, SELF-LOCKING | 2 | SN: A40001 -- |
|||
| ? | 312731072 | PIPE | 1 | SN: A40001 -- |
|||
| ? | 312731065 | PIPE | 1 | SN: A40001 -- |
|||
| ? | 855051018 | O-RING | 2 | SN: A40001 -- |
|||
| ? | 312731071 | UNION | 1 | SN: A40001 -- |
|||
| ? | 855670003 | • O-RING | 1 | SN: A40001 -- |
|||
| ? | 855051018 | • O-RING | 1 | SN: A40001 -- |
|||
| ? | 392860017 | HOSE | 2 | SN: A40001 -- |