| Номер на схеме | Каталожный номер | Название | Количество | Детали | |||
|---|---|---|---|---|---|---|---|
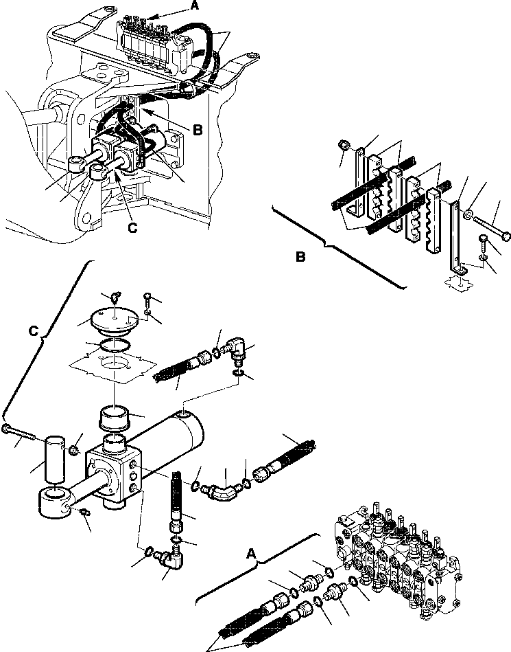
| ? | 392860007 | HOSE | 2 | SN: A40001 -- |
|||
| ? | 500380123 | UNION | 2 | SN: A40001 -- |
|||
| ? | 855051119 | • O-RING | 2 | SN: A40001 -- |
|||
| ? | 855051012 | • O-RING | 2 | SN: A40001 -- |
|||
| ? | 500380503 | UNION, ELBOW | 6 | SN: A40001 -- |
|||
| ? | 855051111 | • O-RING | 6 | SN: A40001 -- |
|||
| ? | 855051012 | • O-RING | 6 | SN: A40001 -- |
|||
| ? | R.H. BOOM SWING CYLINDER ASSEMBLY (SEE FIG. H7250-01A0) | SN: A40001 -- |
H7250-01A0 | ||||
| ? | L.H. BOOM SWING CYLINDER ASSEMBLY (SEE FIG. H7250-01A0) | SN: A40001 -- |
H7250-01A0 | ||||
| ? | 860010007 | FITTING, GREASE | 2 | SN: A40001 -- |
|||
| ? | 390597062 | PIN, CYLINDER | 2 | SN: A40001 -- |
|||
| ? | 801015584 | BOLT | 2 | SN: A40001 -- |
|||
| ? | 801880212 | NUT, SELF-LOCKING | 2 | SN: A40001 -- |
|||
| ? | 500213511 | BUSHING | 4 | SN: A40001 -- |
|||
| ? | 500014689 | PLUG (CAP) | 4 | SN: A40001 -- |
|||
| ? | 855021836 | O-RING | 4 | SN: A40001 -- |
|||
| ? | 801015086 | BOLT | 8 | SN: A40001 -- |
|||
| ? | 802170001 | WASHER | 8 | SN: A40001 -- |
|||
| ? | 860030004 | FITTING, GREASE | 4 | SN: A40001 -- |
|||
| ? | 392860003 | HOSE | 2 | SN: A40001 -- |
|||
| ? | 312707611 | SUPPORT, CLAMP | 2 | SN: A40001 -- |
|||
| ? | 801015110 | BOLT | 2 | SN: A40001 -- |
|||
| ? | 802170002 | WASHER | 2 | SN: A40001 -- |
|||
| ? | 312707610 | CLAMP, HOSE | 1 | SN: A40001 -- |
|||
| ? | 312707108 | CLAMP, HOSE | 1 | SN: A40001 -- |
|||
| ? | 801014810 | BOLT | 2 | SN: A40001 -- |
|||
| ? | 802170001 | WASHER | 2 | SN: A40001 -- |
|||
| ? | 801880208 | NUT, SELF-LOCKING | 2 | SN: A40001 -- |