k-part
Номер на схеме Каталожный номер Название Количество Детали
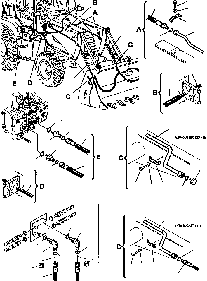
? 500380124 UNION 2
SN: A40001 --
? 855051119 • O-RING 1
SN: A40001 --
? 855051014 • O-RING 1
SN: A40001 --
? 392861002 HOSE 2
SN: A40001 --
? 855051016 • O-RING 1
SN: A40001 --
? 312631052 PIPE, R.H. 1
SN: A40001 --
? OR
? 312631053 PIPE, L.H. 1
SN: A40001 --
? 312631600 RETAINER, TUBING 6
SN: A40001 --
? 801015109 BOLT 6
SN: A40001 --
? 802150510 WASHER 6
SN: A40001 --
? 500380303 PLUG 2
SN: A40001 --
? 855051016 • O-RING 1
SN: A40001 --
? 392431023 HOSE 2
SN: A40001 --
? 855051016 • O-RING 1
SN: A40001 --
? 500380510 UNION, ELBOW 2
SN: A40001 --
? 855051016 • O-RING 1
SN: A40001 --
? 855051617 • O-RING 1
SN: A40001 --
? 312630726 PROTECTION, HOSE 2
SN: A40001 --
? 500380313 PLUG 2
SN: A40001 --

Backhoeloaders Komatsu / WB140PS-2N S/N A40001-A40033(WB140P2N) / FIG. H6660-02A0 HYDRAULIC PIPING - CONTROL VALVE TO BUCKET - 4 IN 1 CYLINDER(H-094 : H6660-02A0)
?
?
?
?
?
?
?
?
?
?
?
?
?
?
?
?
?
?
?
?
?
?
?
?
?
?
?
?
?
?
?
?
?
?
?
?
?
?
?
?
?
?