| Номер на схеме | Каталожный номер | Название | Количество | Детали | |||
|---|---|---|---|---|---|---|---|
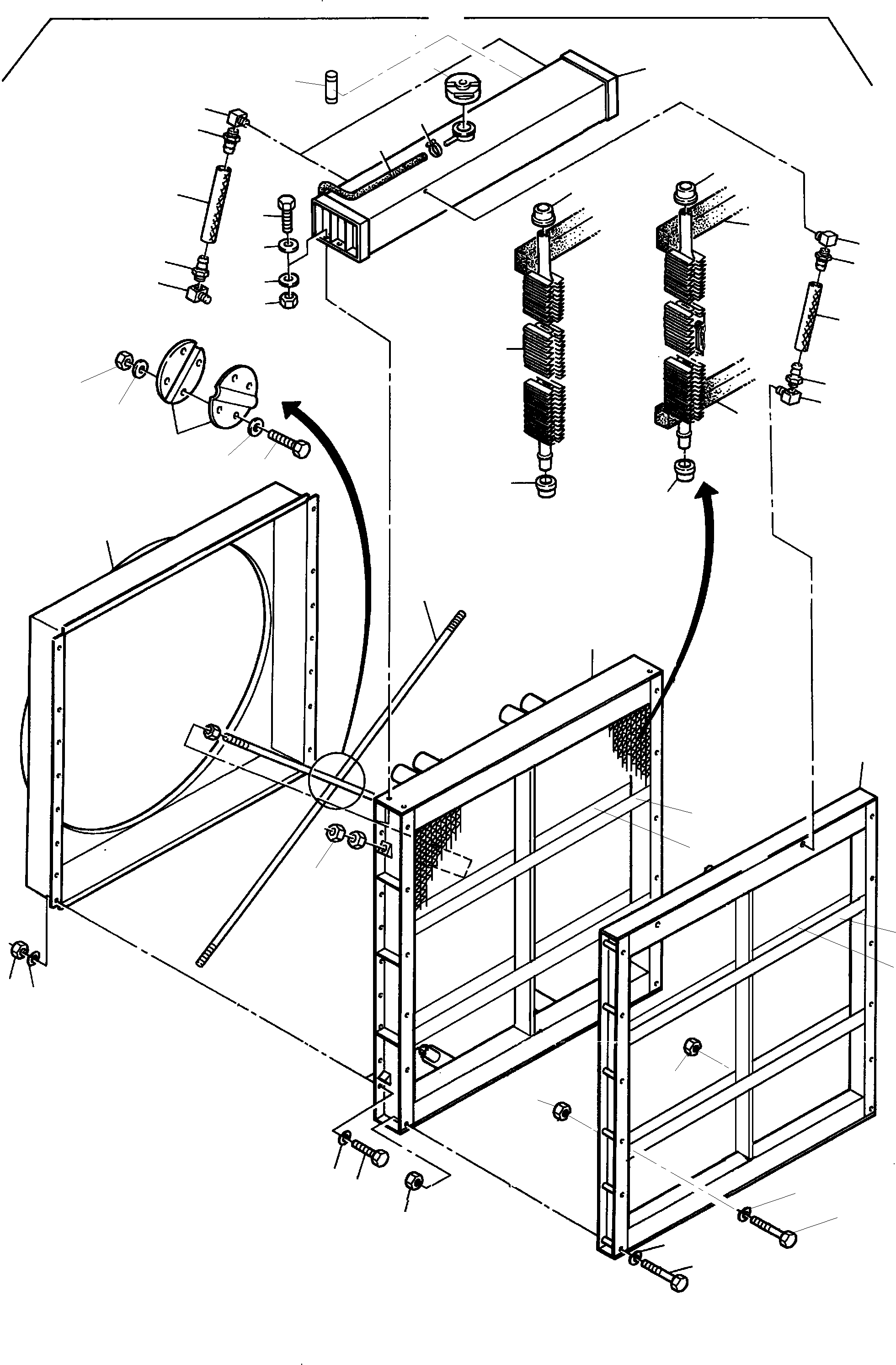
| ? | 928 704 40 | Radiator assy. | 1 | EnglischBem: DeutschBem: DeutschDesc: Wasserkьhler kpl. InternBDB: InternKon: SerienBem: Zwhead_Deu: Zwhead_Eng: |
|||
| ? | 793 494 73 | Radiator frame (HTC - Hi temp) assy consist. of fig. nr. 2, 6, 9, 11, 12, 17, 18, 19, 20, 23, 24, | 1 | EnglischBem: DeutschBem: DeutschDesc: Wasserkьhlerrahmen (HTC - Hochtemperatur) kpl best. aus bild no. InternBDB: InternKon: SerienBem: Zwhead_Deu: Zwhead_Eng: |
|||
| ? | 793 495 73 | Radiator frame (LTC - Low temp) assy consist. of fig. nr. 3, 6, 9, 11, 19, 20, 21, 22, 23, 24, 25, | 1 | EnglischBem: DeutschBem: DeutschDesc: Wasserkьhlerrahmen (LTC - Tieftemperautur) kpl best. aus bild. n InternBDB: InternKon: SerienBem: Zwhead_Deu: Zwhead_Eng: |
|||
| ? | 768 965 73 | Radiator frame | 1 | EnglischBem: DeutschBem: DeutschDesc: Wasserkьhlerrahmen InternBDB: InternKon: SerienBem: Zwhead_Deu: Zwhead_Eng: |
|||
| ? | 768 964 73 | Radiator frame | 1 | EnglischBem: DeutschBem: DeutschDesc: Wasserkьhlerrahmen InternBDB: InternKon: SerienBem: Zwhead_Deu: Zwhead_Eng: |
|||
| ? | 769 772 73 | Surge tank | 1 | EnglischBem: DeutschBem: DeutschDesc: Wasserkasten InternBDB: InternKon: SerienBem: Zwhead_Deu: Zwhead_Eng: |
|||
| ? | 769 773 73 | Fan shroud | 1 | EnglischBem: DeutschBem: DeutschDesc: Lьfterhaube InternBDB: InternKon: SerienBem: Zwhead_Deu: Zwhead_Eng: |
|||
| ? | 768 967 73 | Pipe | 920 | EnglischBem: DeutschBem: DeutschDesc: Rohr InternBDB: InternKon: SerienBem: Zwhead_Deu: Zwhead_Eng: |
|||
| ? | 768 972 73 | Sight glass | 1 | EnglischBem: DeutschBem: DeutschDesc: Sichtglas InternBDB: InternKon: SerienBem: Zwhead_Deu: Zwhead_Eng: |
|||
| ? | 768 968 73 | Hose | 3 | EnglischBem: DeutschBem: DeutschDesc: Schlauch InternBDB: InternKon: SerienBem: Zwhead_Deu: Zwhead_Eng: |
|||
| ? | 769 778 73 | Insulation strip | 2 | EnglischBem: DeutschBem: DeutschDesc: Dдmmleiste InternBDB: InternKon: SerienBem: Zwhead_Deu: Zwhead_Eng: |
|||
| ? | 764 487 73 | Fitting | 6 | EnglischBem: DeutschBem: DeutschDesc: Armatur InternBDB: InternKon: SerienBem: Zwhead_Deu: Zwhead_Eng: |
|||
| ? | 769 777 73 | Insulation stip | 2 | EnglischBem: DeutschBem: DeutschDesc: Dдmmleiste InternBDB: InternKon: SerienBem: Zwhead_Deu: Zwhead_Eng: |
|||
| ? | 764 521 73 | Clamp | 2 | EnglischBem: DeutschBem: DeutschDesc: Schelle InternBDB: InternKon: SerienBem: Zwhead_Deu: Zwhead_Eng: |
|||
| ? | 764 489 73 | Adapter | 6 | EnglischBem: DeutschBem: DeutschDesc: Adapter InternBDB: InternKon: SerienBem: Zwhead_Deu: Zwhead_Eng: |
|||
| ? | 761 086 73 | Tube pole cap | 1 | EnglischBem: DeutschBem: DeutschDesc: VerschluЯkappe InternBDB: InternKon: SerienBem: Zwhead_Deu: Zwhead_Eng: |
|||
| ? | 769 779 73 | Hose | 1 | EnglischBem: DeutschBem: DeutschDesc: Schlauch InternBDB: InternKon: SerienBem: Zwhead_Deu: Zwhead_Eng: |
|||
| ? | 764 491 73 | Clamp | 3 | EnglischBem: DeutschBem: DeutschDesc: Schelle InternBDB: InternKon: SerienBem: Zwhead_Deu: Zwhead_Eng: |
|||
| ? | 793 497 73 | Support bar | 2 | EnglischBem: DeutschBem: DeutschDesc: Stьtzstange InternBDB: InternKon: SerienBem: Zwhead_Deu: Zwhead_Eng: |
|||
| ? | 793 498 73 | Support bar | 2 | EnglischBem: DeutschBem: DeutschDesc: Stьtzstange InternBDB: InternKon: SerienBem: Zwhead_Deu: Zwhead_Eng: |
|||
| ? | 780 314 73 | Rubber seal | 920 | EnglischBem: DeutschBem: DeutschDesc: Tuelle InternBDB: InternKon: SerienBem: Zwhead_Deu: Zwhead_Eng: |
|||
| ? | 764 494 73 | Rubber seal | 920 | EnglischBem: DeutschBem: DeutschDesc: Tuelle InternBDB: InternKon: SerienBem: Zwhead_Deu: Zwhead_Eng: |
|||
| ? | 768 974 73 | Support bar | 2 | EnglischBem: DeutschBem: DeutschDesc: Support bar InternBDB: InternKon: SerienBem: Zwhead_Deu: Zwhead_Eng: |
|||
| ? | 763 706 73 | Support bar | 2 | EnglischBem: DeutschBem: DeutschDesc: Support bar InternBDB: InternKon: SerienBem: Zwhead_Deu: Zwhead_Eng: |
|||
| ? | 768 969 73 | Washer | 52 | EnglischBem: DeutschBem: DeutschDesc: Scheibe InternBDB: InternKon: SerienBem: Zwhead_Deu: Zwhead_Eng: |
|||
| ? | 768 971 73 | Nut | 44 | EnglischBem: DeutschBem: DeutschDesc: Mutter InternBDB: InternKon: SerienBem: Zwhead_Deu: Zwhead_Eng: |
|||
| ? | 768 970 73 | Washer | 4 | EnglischBem: DeutschBem: DeutschDesc: Scheibe InternBDB: InternKon: SerienBem: Zwhead_Deu: Zwhead_Eng: |
|||
| ? | 502 313 98 | Bolt | 4 | EnglischBem: DeutschBem: DeutschDesc: Schraube InternBDB: InternKon: SerienBem: Zwhead_Deu: Zwhead_Eng: |
|||
| ? | 005 833 98 | Bolt | 52 | EnglischBem: DeutschBem: DeutschDesc: Schraube InternBDB: InternKon: SerienBem: Zwhead_Deu: Zwhead_Eng: |
|||
| ? | 004 869 98 | Bolt | 16 | EnglischBem: DeutschBem: DeutschDesc: Schraube InternBDB: InternKon: SerienBem: Zwhead_Deu: Zwhead_Eng: |
|||
| ? | 005 834 98 | Bolt | 6 | EnglischBem: DeutschBem: DeutschDesc: Schraube InternBDB: InternKon: SerienBem: Zwhead_Deu: Zwhead_Eng: |
|||
| ? | 793 493 78 | Clasp | 2 | EnglischBem: DeutschBem: DeutschDesc: Klammer InternBDB: InternKon: SerienBem: Zwhead_Deu: Zwhead_Eng: |
|||
| ? | 764 504 73 | Nut | 32 | EnglischBem: DeutschBem: DeutschDesc: Mutter InternBDB: InternKon: SerienBem: Zwhead_Deu: Zwhead_Eng: |
|||
| ? | 764 503 73 | Nut | 4 | EnglischBem: DeutschBem: DeutschDesc: Mutter InternBDB: InternKon: SerienBem: Zwhead_Deu: Zwhead_Eng: |
|||
| ? | 007 021 98 | Nut | 6 | EnglischBem: DeutschBem: DeutschDesc: Mutter InternBDB: InternKon: SerienBem: Zwhead_Deu: Zwhead_Eng: |
|||
| ? | 764 505 73 | Nut | 12 | EnglischBem: DeutschBem: DeutschDesc: Mutter InternBDB: InternKon: SerienBem: Zwhead_Deu: Zwhead_Eng: |
|||
| ? | 346 500 99 | Lock washer | 32 | EnglischBem: DeutschBem: DeutschDesc: Federring InternBDB: InternKon: SerienBem: Zwhead_Deu: Zwhead_Eng: |
|||
| ? | 346 501 99 | Lock washer | 6 | EnglischBem: DeutschBem: DeutschDesc: Federring InternBDB: InternKon: SerienBem: Zwhead_Deu: Zwhead_Eng: |
|||
| ? | 340 464 99 | Washer | 8 | EnglischBem: DeutschBem: DeutschDesc: Scheibe InternBDB: InternKon: SerienBem: Zwhead_Deu: Zwhead_Eng: |
|||
| ? | 340 465 99 | Washer | 32 | EnglischBem: DeutschBem: DeutschDesc: Scheibe InternBDB: InternKon: SerienBem: Zwhead_Deu: Zwhead_Eng: |
|||
| ? | 340 467 99 | Washer | 6 | EnglischBem: DeutschBem: DeutschDesc: Scheibe InternBDB: InternKon: SerienBem: Zwhead_Deu: Zwhead_Eng: |