k-part
Номер на схеме Каталожный номер Название Количество Детали
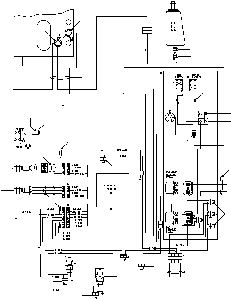
? PANEL, STEERING CONSOLE INSTRUMENT (SEE PG 11-006) -29 11AHG532.003
? 1270 236 H91 LIGHT, PILOT - HYD. OIL TEMP. - RED 1
? 274 019 BULB - 24 VOLT 1
? 1270 237 H91 LIGHT, PILOT - AWD ON - GREEN 1
? 274 019 BULB - 24 VOLT 1
? HARNESS, INSTRUMENT PANEL WIRING (SEE PG 11-006) -29 11AHG532.003
? HARNESS, MAIN WIRING (SEE PG 08-002) -29 08ADG532.001
? 444 032 BUSHING, REDUCER 1
? 1282 169 H1 SWITCH, HYDRAULIC OIL TEMPERATURE 1 a
? 158 982 SWITCH, HYDRAULIC OIL TEMPERATURE 1 b
? PANEL, CONSOLE SWITCH (SEE PG 11-002) -29 11AHG532.002
? 1258 399 H1 SWITCH, AWD 1 a
? 644 614 C1 SWITCH, AWD 1 b
? 1259 350 H1 DIODE ASSEMBLY 2
? 1106 459 C1 BAR, BUSS 1
? 141 656 BREAKER, CIRCUIT - 6 AMP 1
? SWITCH, IGNITION (SEE PG 11-002) -29 11AHG532.002
? 250 381 C91 Y-CONNECTOR 1
? HARNESS, MAIN WIRING (SEE PG 08-002) -29 08ADG532.001
? 1432 716 H1 RELAY - AWD DISABLE 1
? 935 522 C1 STRAP, TIE 1
? 1284 602 H91 HARNESS, AWD FRONT 1
? 1279 522 H91 • CONNECTOR, DIODE 1
? VALVE, HIC (SEE PG 10-174) -29 10BH4151.011
? 1258 753 H1 HARNESS, FRONT WHEEL SENSOR 1
? 1246 048 H1 HARNESS, REAR WHEEL SENSOR 1
? 1433 532 H91 HARNESS, AWD REAR 1
? 1279 522 H91 • CONNECTOR, DIODE 8
? CONTROLLER, ELECTRONIC (SEE PG 08-016) -29 08ADG531.008
? PLUG, SOLENOID - GRAY (SEE PG 10-096) -29 10AV4151.002
? PLUG, SOLENOID - BLACK (SEE PG 10-096) -29 10AV4151.002

Graders Komatsu / GD530A/AW-2A/2B/2C w/S6D102 S/N 202002-UP(GD530A2) / AWD WIRING DIAGRAM(08-014 : 08ADG531.007)
?
?
?
?
?
?
?
?
?
?
?
?
?
?
?
?
?
?
?
?
?
?
?
?
?
?
?
?
?
?
?
?
?
?
?