| Номер на схеме | Каталожный номер | Название | Количество | Детали | |||
|---|---|---|---|---|---|---|---|
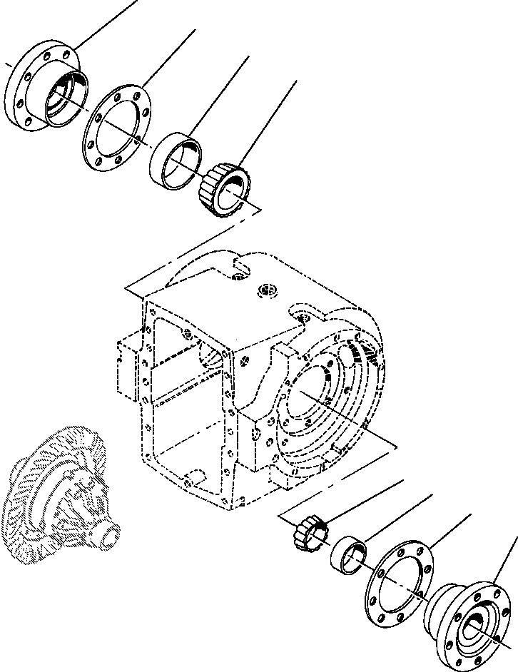
| ? | CASE ASSEMBLY, DIFFERENTIAL. . . . . . . . . . . . RF | ||||||
| ? | 149 884 | • QUILL | 1 | ||||
| ? | 149 885 | • SHIM - .003 | A/R | ||||
| ? | 149 886 | • SHIM - .005 | A/R | ||||
| ? | 149 887 | • SHIM - .010 | A/R | ||||
| ? | 622 335 C91 | • BEARING ASSEMBLY | 1 | ||||
| ? | 622 337 C1 | • • BEARING, CUP | 1 | ||||
| ? | 622 336 C91 | • • BEARING, CONE | 1 | ||||
| ? | 131 474 R91 | • BEARING ASSEMBLY | 1 | ||||
| ? | 131 475 R91 | • • BEARING, CONE | 1 | ||||
| ? | 972 466 R1 | • • BEARING, CUP | 1 | ||||
| ? | 149 883 | • QUILL | 1 |