k-part
Номер на схеме Каталожный номер Название Количество Детали
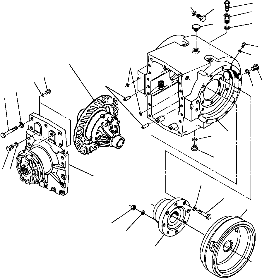
? 1431 880 H93 CASE ASSEMBLY, LOCK/UNLOCK DIFFERENTIAL 1
? 9410 361 • PLUG 1
? 368 269 R1 • O-RING 1
? 30 068 R1 • BOLT 14
? 1430 248 H1 • WASHER, FLAT 14
? 1432 920 H1 • O-RING 2
? 1432 919 H1 • PLUG 2
? • INPUT QUILL ASSEMBLY (SEE PG 07-070) -29 07HHG381.003
? • DIFFERENTIAL ASSEMBLY (SEE PG 07-080) -29 07HHG381.008
? 19 875 R1 • PIN, DOWEL 2
? 606 271 C1 • O-RING 2
? 1431 076 H1 • REDUCER 1
? 445 682 R91 • BREATHER 1
? 9410 361 • PLUG 2
? 368 269 R1 • O-RING 2
? 9410 360 • PLUG 1
? 364 885 R1 • O-RING 1
? 1430 204 H1 • SCREW, BLEED 2
? 1430 203 H1 • BUSHING, BLEEDER 2
? 364 839 R1 • O-RING 2
? 1431 834 H1 • CASE 1
? 1430 249 H1 • PLUG 1
? 368 269 R1 • O-RING 1
? 30 169 R1 • NUT, HEX 2
? 149 897 • WASHER, FLAT 12
? 1432 900 H1 • BOLT 12
? • DIFFERENTIAL BEARING QUILLS (SEE PG 07-074) -29 07HHG381.007
? • BRAKES (SEE PG 04-012) -29 04AVG580.001
? 9410 358 • PLUG 2
? 364 839 R1 • O-RING 2

Graders Komatsu / GD530A/AW-2A/2B/2C w/S6D102 S/N 202002-UP(GD530A2) / LOCK/UNLOCK DIFFERENTIAL CASE ASSEMBLY(07-068 : 07HHG381.006)
?
?
?
?
?
?
?
?
?
?
?
?
?
?
?
?
?
?
?
?
?
?
?
?
?
?
?
?
?
?