| Номер на схеме | Каталожный номер | Название | Количество | Детали | |||
|---|---|---|---|---|---|---|---|
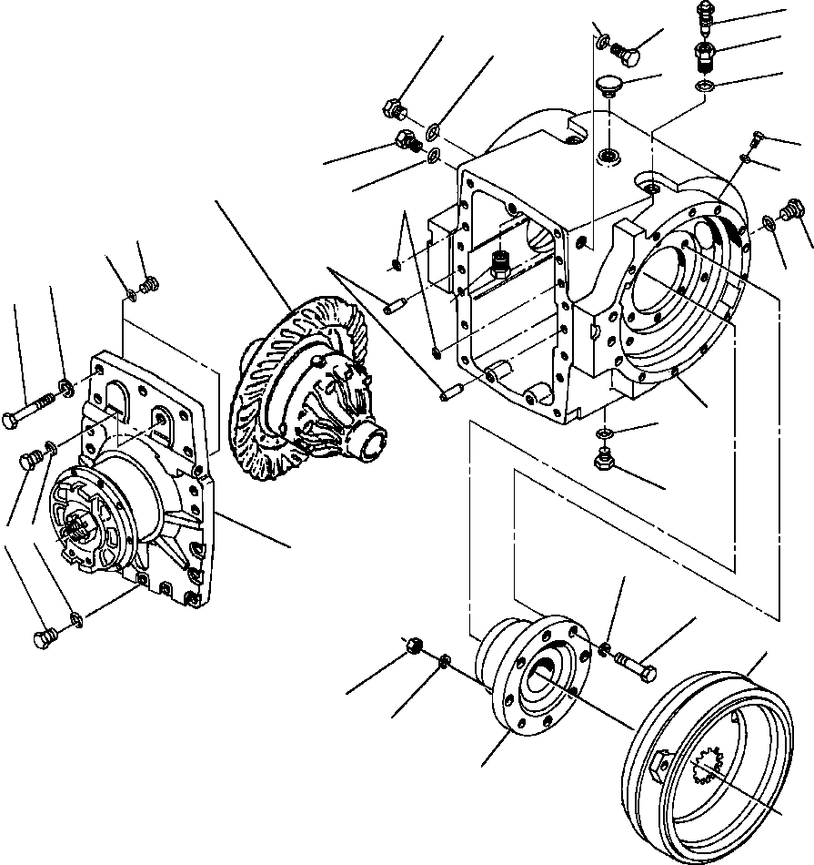
| ? | 1431 780 H93 | CASE ASSEMBLY, DIFFERENTIAL | 1 | ||||
| ? | 9410 361 | • PLUG | 2 | ||||
| ? | 368 269 R1 | • O-RING | 2 | ||||
| ? | 30 068 R1 | • BOLT | 14 | ||||
| ? | 1430 248 H1 | • WASHER, FLAT | 14 | ||||
| ? | 1432 920 H1 | • O-RING | 2 | ||||
| ? | 1432 919 H1 | • PLUG | 2 | ||||
| ? | • INPUT QUILL ASSEMBLY (SEE PG 07-088) | -29 | 07HVG8II.003 | ||||
| ? | • DIFFERENTIAL ASSEMBLY (SEE PG 07-088) | -29 | 07HVG8II.003 | ||||
| ? | 19 875 R1 | • PIN, DOWEL | 2 | ||||
| ? | 606 271 C1 | • O-RING | 2 | ||||
| ? | 9410 359 | • PLUG | 1 | ||||
| ? | 570 828 R1 | • O-RING | 1 | ||||
| ? | 9410 361 | • PLUG | 3 | ||||
| ? | 368 269 R1 | • O-RING | 3 | ||||
| ? | 9410 360 | • PLUG | 1 | ||||
| ? | 364 885 R1 | • O-RING | 1 | ||||
| ? | 1430 204 H1 | • SCREW, BLEED | 2 | ||||
| ? | 1430 203 H1 | • BUSHING, BLEEDER | 2 | ||||
| ? | 364 839 R1 | • O-RING | 2 | ||||
| ? | 1431 834 H1 | • CASE | 1 | ||||
| ? | 1430 249 H1 | • PLUG | 1 | ||||
| ? | 368 269 R1 | • O-RING | 1 | ||||
| ? | 30 169 R1 | • NUT, HEX | 2 | ||||
| ? | 149 897 | • WASHER, FLAT | 14 | ||||
| ? | 30 286 R1 | • BOLT | 12 | ||||
| ? | • DIFFERENTIAL BEARING QUILLS (SEE PG 07-088) | -29 | 07HVG8II.003 | ||||
| ? | • BRAKES (SEE PG 04-012) | -29 | 04AVG580.001 | ||||
| ? | 9410 358 | • PLUG | 1 | ||||
| ? | 364 839 R1 | • O-RING | 1 | ||||
| ? | 1431 076 H1 | • REDUCER | 1 | ||||
| ? | 445 682 H91 | • BREATHER | 1 |