| Номер на схеме | Каталожный номер | Название | Количество | Детали | |||
|---|---|---|---|---|---|---|---|
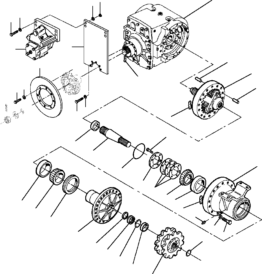
| ? | 1431 781 H94 | AXLE ASSEMBLY - NoSPIN DIFFERENTIAL | 1 | a | |||
| ? | 1432 005 H94 | AXLE ASSEMBLY - LOCK/UNLOCK DIFFERENTIAL | 1 | b | |||
| ? | 25 772 R1 | • BOLT | 8 | ||||
| ? | 25 534 R1 | • WASHER, FLAT | 8 | ||||
| ? | 1281 013 H2 | • DISK, PARKING BRAKE | 1 | ||||
| ? | 30 023 R1 | • BOLT | 8 | ||||
| ? | 30 176 R1 | • WASHER, FLAT | 8 | ||||
| ? | 1431 588 H1 | • BRACKET, PARKING BRAKE | 1 | ||||
| ? | • CALIPER ASSEMBLY, PARKING BRAKE (SEE PG 04-016) | -29 | 04BHP809.002 | ||||
| ? | 159 906 | • GASKET, LIQUID - 300 ML CARTRIDGE | 1 | ||||
| ? | • CASE, DIFFERENTIAL (SEE PG 07-066) | -29 | 07HHG381.002 | ||||
| ? | 1277 410 H1 | • RING, RETAINING | 2 | ||||
| ? | 1286 766 H91 | • BEARING, SPHERICAL ROLLER | 2 | ||||
| ? | 1286 767 H1 | • SEAL, OIL | 2 | ||||
| ? | 1435 732 H91 | • SLEEVE, TANDEM MOUNTING | 2 | ||||
| ? | 1285 337 H1 | • SEAL, GREASE | 2 | ||||
| ? | 1286 765 H91 | • BEARING ASSEMBLY | 2 | ||||
| ? | 1286 764 H91 | • • BEARING, CONE | 1 | ||||
| ? | 1286 763 H1 | • • BEARING, CUP | 1 | ||||
| ? | 1277 395 H93 | • HOUSING, FINAL DRIVE - R.H | 1 | ||||
| ? | 1277 791 H93 | • HOUSING, FINAL DRIVE - L.H | 1 | ||||
| ? | 30 076 R1 | • BOLT | 24 | ||||
| ? | 25 547 R1 | • WASHER, FLAT | 24 | ||||
| ? | 109 461 | • FITTING, LUBE | 2 | ||||
| ? | 625 365 C91 | • BEARING ASSEMBLY | 2 | ||||
| ? | 625 364 C1 | • • BEARING, CUP | 1 | ||||
| ? | 625 363 C91 | • • BEARING, CONE | 1 | ||||
| ? | 1435 733 H1 | • SHIM - 0.13 mm | A/R | ||||
| ? | 1435 734 H1 | • SHIM - 0.18 mm | A/R | ||||
| ? | 1435 735 H1 | • SHIM - 0.50 mm | A/R | ||||
| ? | 1435 079 H1 | • RETAINER, BEARING | 2 | ||||
| ? | 22 422 R1 | • O-RING | 2 | ||||
| ? | 31 148 R1 | • BOLT | 36 | ||||
| ? | 1277 403 H1 | • SPACER, PLANETARY | 2 | ||||
| ? | 1431 425 H91 | • SHAFT, AXLE TANDEM | 2 | ||||
| ? | • PLANETARY & RING GEAR (SEE PG 07-064) | -29 | 07HHG652.005 | ||||
| ? | 1281 948 H1 | • RING, RETAINING | 2 | ||||
| ? | 1286 993 H1 | • SPROCKET, OUTPUT SHAFT | 2 | ||||
| ? | 1286 994 H1 | • SPACER, OUTPUT SPROCKET | 2 | ||||
| ? | 19 875 R1 | • DOWEL, LOCATING | 8 | ||||
| ? | 24 865 R1 | • BOLT | 4 | ||||
| ? | 25 546 R1 | • WASHER, FLAT | 8 | ||||
| ? | 25 526 R1 | • NUT, HEX | 4 |