k-part
Номер на схеме Каталожный номер Название Количество Детали
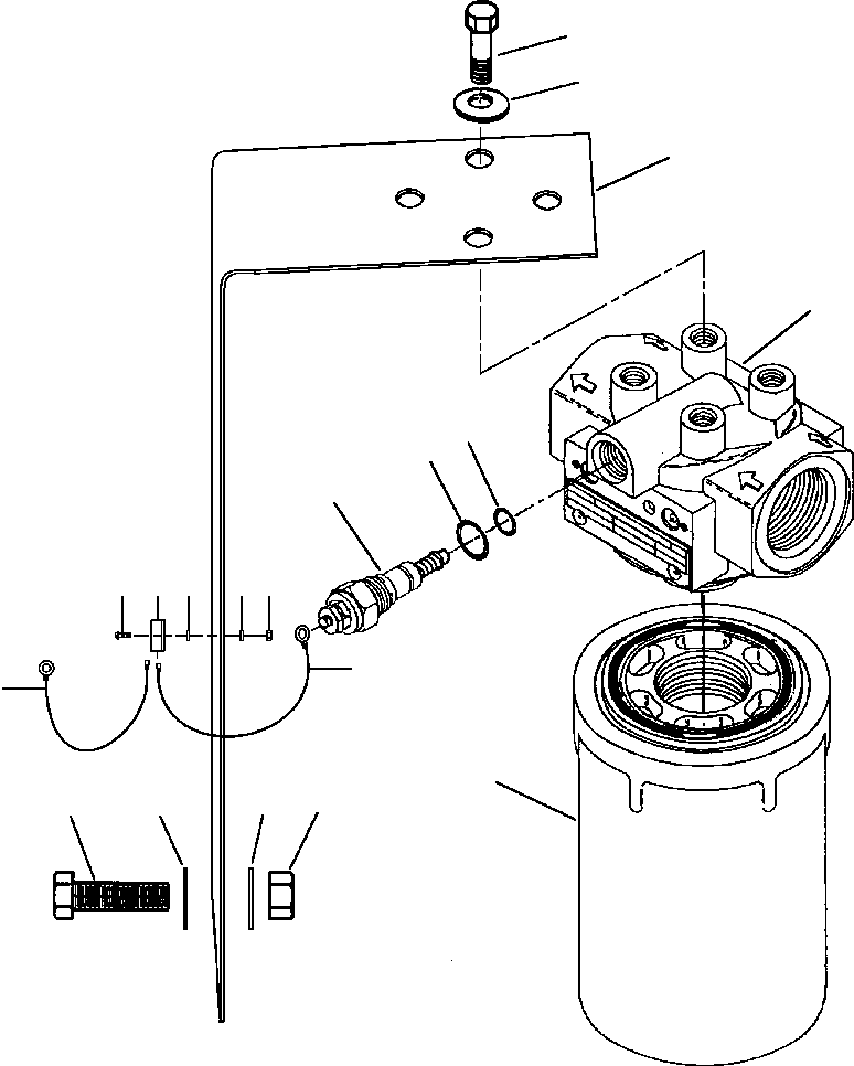
? 1266 752 H91 FILTER, DIFFERENTIAL OIL 1
? (NSS) • HEAD, FILTER 1
? 1267 903 H91 • INDICATOR ASSEMBLY 1
? 364 839 R1 • • O-RING 1
? 359 158 R1 • • O-RING 1
? 1266 751 H2 • ELEMENT, DIFFERENTIAL OIL FILTER 1
? 1279 098 H3 BRACKET, FILTER MOUNTING 1
? 24 839 R1 BOLT 4
? 120 382 WASHER, LOCK 4
? 140 483 H BOLT 2
? 25 534 R1 WASHER, FLAT 4
? 25 522 R1 NUT, HEX 2
? 159 358 SCREW, MACHINE 2
? 1436 525 H1 FLASHER 1
? 131 014 WASHER, FLAT 2
? 131 044 WASHER, LOCK 2
? 134 530 NUT, HEX 2
? 1436 531 H1 WIRE 1
? 1436 530 H1 WIRE - TO TRANSMISSION OIL FILTER 1
? 2643 514 R1 CONDUIT - 48 IN 1 F1
?
? F1 - CUT TO LENGTH FROM 2643 514 R1 BULK CONDUIT
?

Graders Komatsu / GD530A/AW-2A/2B/2C w/S6D102 S/N 202002-UP(GD530A2) / DIFFERENTIAL OIL FILTER(07-018 : 07BMG586.002)
?
?
?
?
?
?
?
?
?
?
?
?
?
?
?
?
?
?
?