| Номер на схеме | Каталожный номер | Название | Количество | Детали | |||
|---|---|---|---|---|---|---|---|
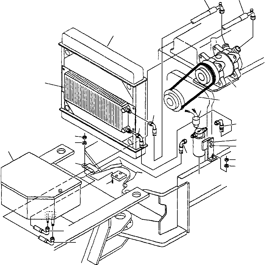
| ? | COMPRESSOR MOUNTING (SEE PG 13-150) | -29 | 13EHG380.001 | ||||
| ? | BELT, COMPRESSOR DRIVE (SEE PG 13-150) | -29 | 13EHG380.001 | ||||
| ? | 1437 198 H91 | KIT, CONDENSER HOSE AND COIL | 1 | ||||
| ? | 1431 743 H1 | • DRYER/RECEIVER | 1 | ||||
| ? | 1433 065 H1 | • HOSE - 13/32 X 5 FT | 1 | F1 | |||
| ? | 1433 068 H1 | • HOSE - 5/16 X 6 FT | 1 | F1 | |||
| ? | 1431 742 H1 | • COIL, CONDENSER | 1 | ||||
| ? | 1431 745 H1 | • BRACKET, DRYER/RECEIVER MOUNTING | 1 | ||||
| ? | (NSS) | SWITCH, HIGH PRESSURE | 1 | F2 | |||
| ? | 25 493 R1 | BOLT | 2 | ||||
| ? | 25 533 R1 | WASHER, FLAT | 2 | ||||
| ? | 25 520 R1 | NUT, HEX | 2 | ||||
| ? | 161 496 | SLEEVE, PROTECTIVE - 22 IN | 1 | F1 | |||
| ? | 25 522 R1 | NUT, HEX | 1 | ||||
| ? | 25 534 R1 | WASHER, FLAT | 1 | ||||
| ? | 1432 856 H91 | KIT, HOSE | 1 | ||||
| ? | 1433 067 H1 | • HOSE - 5/16 X 6 FT | 1 | F3 | |||
| ? | 1433 066 H1 | • HOSE - 1/2 X 8 FT | 1 | F3 | |||
| ? | 1431 737 H1 | • FITTING, EVAPORATOR DRAIN | 2 | ||||
| ? | 105 899 | STUD, WELD | 1 | ||||
| ? | 651 569 C1 | CLAMP | 2 | ||||
| ? | 25 553 R1 | WASHER, FLAT | 1 | ||||
| ? | 17 044 R1 | NUT, HEX | 1 | ||||
| ? | 1431 377 H1 | SLEEVE, HOSE WRAP - 20 IN | 1 | F3 | |||
| ? | 935 522 C1 | STRAP, TIE | 4 | ||||
| ? | BOX ASSEMBLY, AIR CONDITIONER/HEATER (SEE PG 13-140) | 13DZG530.003 | |||||
| ? | RADIATOR/OIL COOLER (SEE PG 06-010) | -29 | 06AMG381.002 | ||||
| ? | |||||||
| ? | F1 - WRAP HOSES TOGETHER AT CONDENSER WITH SLEEVE P/N 161 496. | ||||||
| ? | CUT SLEEVE TO LENGTH. | ||||||
| ? | |||||||
| ? | F2 - HIGH PRESSURE SWITCH IS NOW LOCATED IN EVAPORATOR CASE. USE | ||||||
| ? | CAP P/N 9403 369 TO CONNECT THE WIRES TOGETHER IN HARNESS. | ||||||
| ? | |||||||
| ? | F3 - WRAP HOSES TOGETHER WITH BULK HOSE WRAP P/N 1431 377 H1. CUT | ||||||
| ? | WRAP TO LENGTH. |