| Номер на схеме | Каталожный номер | Название | Количество | Детали | |||
|---|---|---|---|---|---|---|---|
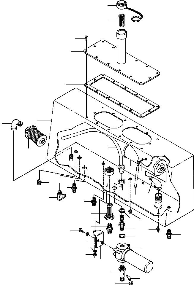
| ? | 1430 673 H91 | TANK, HYDRAULIC OIL - AWD | 1 | ||||
| ? | 142 223 | GASKET, TANK COVER | 1 | ||||
| ? | 1430 763 H91 | COVER, HYDRAULIC TANK | 1 | ||||
| ? | 1430 890 H1 | • SCREEN, FILTER | 1 | ||||
| ? | 1430 892 H91 | • CAP, HYDRAULIC OIL FILL | 1 | ||||
| ? | 1431 126 H1 | SCREW, MACHINE | 14 | ||||
| ? | 1430 861 H91 | FITTING, COMPRESSION | 2 | ||||
| ? | 1430 864 H1 | TUBING, OIL GAUGE | 1 | ||||
| ? | 9402 710 | CONNECTOR | 2 | ||||
| ? | 317 783 R1 | CONNECTOR | 1 | ||||
| ? | 444 032 | BUSHING, REDUCER | 1 | ||||
| ? | SWITCH, HYDRAULIC OIL TEMPERATURE (SEE PG 08-018) | -29 | 08ADG531.007 | ||||
| ? | 218 202 | ELBOW, STREET | 1 | ||||
| ? | 141 062 | STRAINER, SUCTION | 1 | ||||
| ? | 1430 677 H1 | TUBE, OIL RETURN | 1 | ||||
| ? | 9403 298 | NUT, HEX | 1 | ||||
| ? | 1430 767 H1 | WASHER, SEAL | 1 | ||||
| ? | 9403 259 | CONNECTOR, BULK HEAD | 1 | ||||
| ? | 296 247 R1 | O-RING | 1 | ||||
| ? | FILTER, HYDRAULIC OIL (SEE PG 10-234) | -29 | 10BVG381.001 | ||||
| ? | 1430 802 H91 | CONNECTOR | 1 | ||||
| ? | 26 155 R1 | ELBOW - 45 DEGREE | 1 | ||||
| ? | 9403 371 | CAP, OIL DRAIN | 1 | ||||
| ? | 1430 675 H1 | BRACKET, OIL FILTER MOUNTING | 1 | ||||
| ? | 21 622 R1 | NUT, LOCK | 1 | ||||
| ? | 25 534 R1 | WASHER, FLAT | 3 | ||||
| ? | 24 839 R1 | BOLT | 2 | ||||
| ? | 9402 713 | CONNECTOR | 1 | ||||
| ? | 1430 676 H2 | STRAINER | 1 | ||||
| ? | 607 728 R1 | CONNECTOR | 1 | ||||
| ? | 343 805 R1 | ELBOW - 90 DEGREE | 1 | ||||
| ? | 48 192 | PLUG, DRAIN | 1 | ||||
| ? | 111 001 | ELBOW, STREET - 90 DEGREE | 1 | ||||
| ? | 112 455 | STRAINER | 1 |