k-part
Номер на схеме Каталожный номер Название Количество Детали
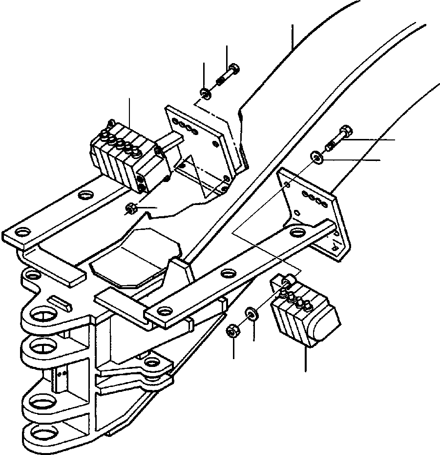
? FRAME, FRONT (SEE PG 09-002) -29 09AHG532.001
? FRAME, FRONT (SEE PG 09-004) -29 09AHG532.003
? FRAME, FRONT (SEE PG 09-006) -29 09AHG532.002
? FRAME, FRONT (SEE PG 09-008) -29 09AHG532.004
? FRAME, FRONT (SEE PG 09-010) -29 09AHG652.006
? VALVE, CONTROL - L.H. 7 VALVES (SEE PG 10-140) -29 F1;10BHG381.003
? VALVE, CONTROL - L.H. 6 VALVES (SEE PG 10-142) -29 F1;10BHG381.002
? VALVE, CONTROL - L.H. 5 VALVES (SEE PG 10-144) -29 F1;10BHG381.001
? 24 842 R1 BOLT 1
? 25 544 R1 WASHER, FLAT 11
? 24 843 R1 BOLT 5
? VALVE, CONTROL - R.H. 7 VALVES (SEE PG 10-146) -29 F1;10BHG381.007
? VALVE, CONTROL - R.H. 6 VALVES (SEE PG 10-148) -29 F1;10BHG381.006
? VALVE, CONTROL - R.H. 5 VALVES (SEE PG 10-150) -29 F1;10BHG381.005
? VALVE, CONTROL - R.H. 4 VALVES (SEE PG 10-152) -29 F1;10BHG381.004
? 25 522 R1 NUT, HEX 6
?
? F1 - FOR CONTROL LEVERS SEE PG 05-007.
?

Graders Komatsu / GD530A/AW-2B/2C w/S6D102E S/N 203163-Up(GD530A2C) / CONTROL VALVE MOUNTING(10-124 : 10AZG8II.003)
?
?
?
?
?
?
?
?
?
?