| Номер на схеме | Каталожный номер | Название | Количество | Детали | |||
|---|---|---|---|---|---|---|---|
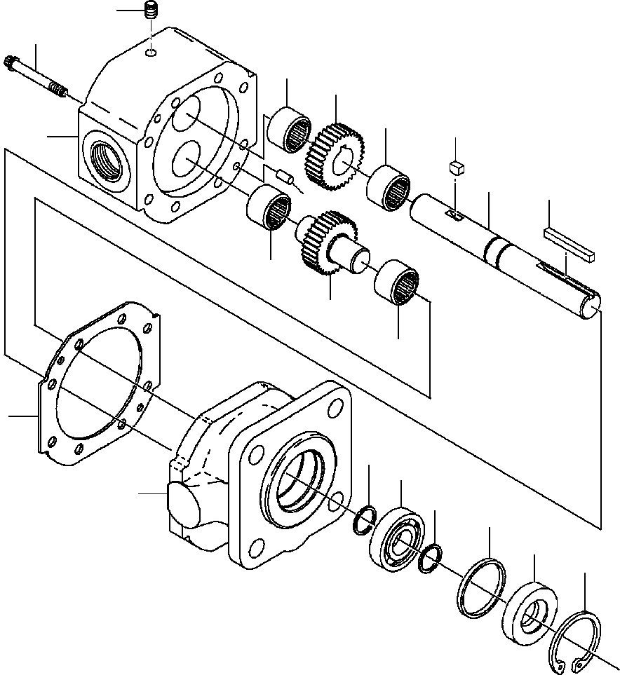
| ? | 1436 314 H91 | PUMP, DIFFERENTIAL HYDRAULIC | 1 | ||||
| ? | (NSS) | • HOUSING, REAR | 1 | ||||
| ? | 79 113 | • BOLT, 12-PT FLANGED HEAD - 0.25-20 X 1.5 IN | 8 | ||||
| ? | 1433 232 H1 | • PLUG - 0.188 IN | 1 | ||||
| ? | 1433 235 H1 | • BEARING, NEEDLE | 4 | ||||
| ? | 1437 480 H1 | • GEAR, DRIVE | 1 | ||||
| ? | (NSS) | • SHAFT ASSEMBLY, IDLER | 1 | ||||
| ? | 1437 239 H1 | • • SHAFT, IDLER | 1 | ||||
| ? | 1437 480 H1 | • • GEAR, IDLER | 1 | ||||
| ? | 1236 267 H1 | • • PIN, DRIVE | 1 | ||||
| ? | 235 529 R1 | • • RING, RETAINING | 1 | ||||
| ? | 1437 481 H1 | • SHAFT, DRIVE | 1 | ||||
| ? | 124 543 | • KEY, WOODRUFF | 1 | ||||
| ? | 1433 237 H1 | • PIN, SHEAR | 2 | ||||
| ? | 1433 234 H1 | • GASKET | 1 | ||||
| ? | 1433 693 H1 | • GASKET | 1 | ||||
| ? | 1433 695 H1 | • GASKET | 1 | ||||
| ? | (NSS) | • HOUSING, FRONT | 1 | ||||
| ? | 235 529 R1 | • RING, RETAINING - EXTERNAL | 2 | ||||
| ? | 1433 240 H1 | • BEARING, BALL | 1 | ||||
| ? | 1433 239 H1 | • SPACER | 1 | ||||
| ? | 1435 676 H1 | • SEAL, OIL | 1 | ||||
| ? | 338 835 R1 | • RING, RETAINING - INTERNAL | 1 | ||||
| ? | 1433 238 H1 | • KEY | 1 |