| Номер на схеме | Каталожный номер | Название | Количество | Детали | |||
|---|---|---|---|---|---|---|---|
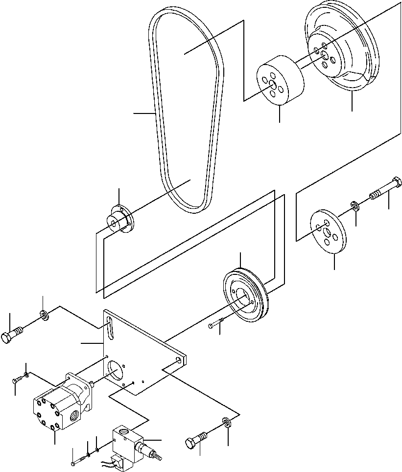
| ? | 1436 327 H91 | HYDRAULIC SYSTEM, LOCK/UNLOCK DIFFERENTIAL | 1 | F1 | |||
| ? | 1431 139 H3 | • BRACKET, PUMP MOUNTING | 1 | ||||
| ? | 24 863 R1 | • BOLT | 2 | ||||
| ? | 25 536 R1 | • WASHER, FLAT | 2 | ||||
| ? | 30 177 R1 | • WASHER, FLAT | 4 | ||||
| ? | • PUMP, DIFFERENTIAL HYDRAULIC (SEE PG 10-120) | -29 | 10AVG381.002 | ||||
| ? | 25 228 R1 | • BOLT | 4 | ||||
| ? | 120 214 | • WASHER, LOCK | 4 | ||||
| ? | • VALVE, CONTROL AND RELIEF (SEE PG 10-192) | -29 | 10BHG381.013 | ||||
| ? | 25 489 R1 | • BOLT | 2 | ||||
| ? | 120 380 R1 | • WASHER, LOCK | 2 | ||||
| ? | 25 532 R1 | • WASHER, FLAT | 2 | ||||
| ? | 1431 141 H1 | • PULLEY, PUMP | 1 | ||||
| ? | 1431 140 H1 | • BUSHING, PUMP PULLEY | 1 | ||||
| ? | 25 485 R1 | • • BOLT | 2 | ||||
| ? | 88 844 | • V-BELT | 1 | ||||
| ? | 1431 180 H2 | • SPACER, PULLEY | 1 | ||||
| ? | 1240 664 H1 | • PULLEY | 1 | ||||
| ? | 1431 323 H1 | • PLATE, CLAMPING | 1 | ||||
| ? | 1431 814 H1 | • BOLT | 4 | ||||
| ? | |||||||
| ? | F1 - NOT SERVICED. REFERENCE ONLY. | ||||||
| ? |