| Наименование | Страница | Код страницы |
|---|---|---|
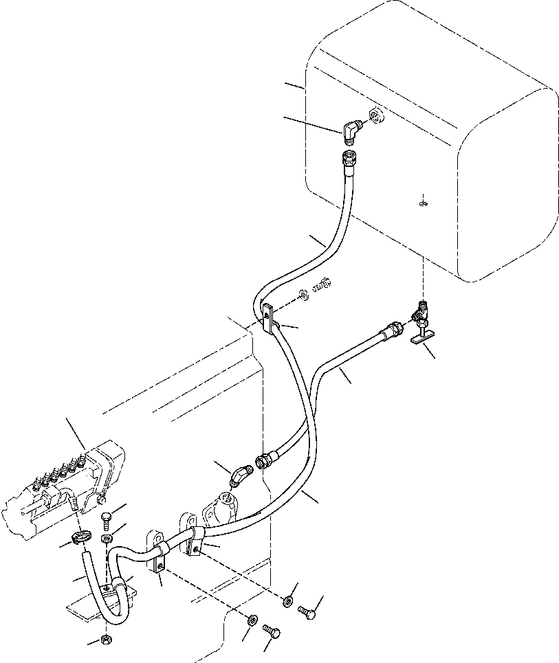
| FIG. A4115-A3A5 FUEL PUMP | A-054 | A4115-A3A5 |
| FIG. D5100-01A0 90 GALLON FUEL TANK | D-002 | D5100-01A0 |
| Номер на схеме | Каталожный номер | Название | Количество | Детали | |||
|---|---|---|---|---|---|---|---|
| ? | 279 025 R91 | CLAMP, HOSE | 1 | ||||
| ? | 141 453 H1 | CLIP, CLOSED | 1 | ||||
| ? | 1437 941 H1 | HOSE, RETURN | 1 | ||||
| ? | 333 934 R1 | ELBOW | 1 | ||||
| ? | 1432 442 H1 | VALVE | 1 | ||||
| ? | 1432 439 H1 | HOSE | 1 | ||||
| ? | 613 532 R1 | ELBOW | 1 | ||||
| ? | 129 083 R1 | CLIP, HOSE | 3 | ||||
| ? | 31 229 H45 | BOLT | 1 | ||||
| ? | 30 019 R1 | BOLT | 2 | ||||
| ? | 76 732 | WASHER | 3 | ||||
| ? | 44 870 | NUT | 1 |