| Наименование | Страница | Код страницы |
|---|---|---|
| FIG. H5200-01A2 ARTICULATION CYLINDER | H-146 | H5200-01A2 |
| FIG. J5120-01A0 ARTICULATION JOINT | J-006 | J5120-01A0 |
| FIG. T5480-01A0 DRAWBAR LIFT - R.H. AND L.H. 90° BLADE SUSPENSION | T-008 | T5480-01A0 |
| Номер на схеме | Каталожный номер | Название | Количество | Детали | |||
|---|---|---|---|---|---|---|---|
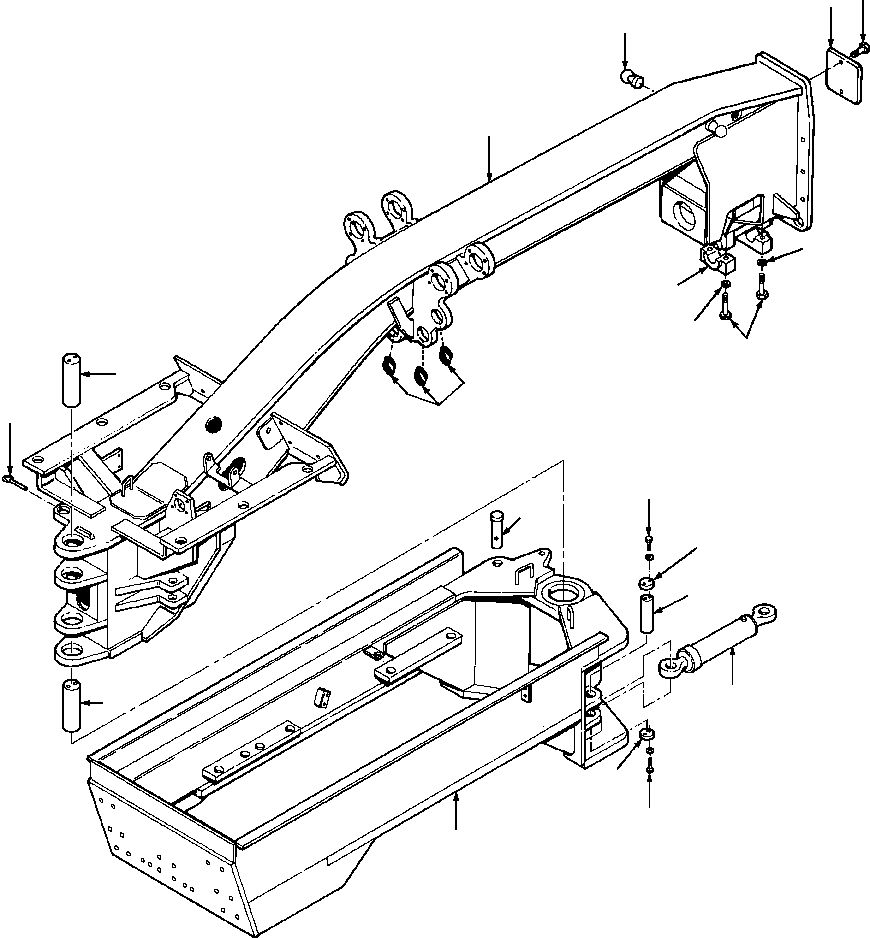
| ? | 1434 241 H91 | FRAME ASSEMBLY, MAIN | 1 | ||||
| ? | 1433 146 H95 | • FRAME WELDMENT REAR | 1 | ||||
| ? | 1252 547 H1 | • PIN, ARTICULATION CYLINDER | 4 | ||||
| ? | 1437 167 H1 | • PLATE, RETAINING | 8 | ||||
| ? | 140 483 H | • BOLT | 16 | ||||
| ? | 25 896 R1 | • WASHER, FLAT | 16 | ||||
| ? | 24 859 R1 | • BOLT | 2 | ||||
| ? | 25 536 R1 | • WASHER, FLAT | 2 | ||||
| ? | 1434 247 H1 | • PLATE, FRONT COVER | 1 | ||||
| ? | 1433 878 H91 | • FRAME WELDMENT FRONT | 1 | ||||
| ? | 31 035 | • • STUD, BALL | 2 | ||||
| ? | 1431 413 H91 | • • RETAINER ASSEMBLY, FRONT AXLE | 1 | ||||
| ? | 25 538 R1 | • • • WASHER, FLAT | 8 | ||||
| ? | 25 515 R1 | • • • BOLT | 8 | ||||
| ? | 139 345 H45 | • PIN, HITCH | 1 | ||||
| ? | 1433 910 H1 | • PIN, ARTICULATION JOINT LOCK | 1 |