k-part
Номер на схеме Каталожный номер Название Количество Детали
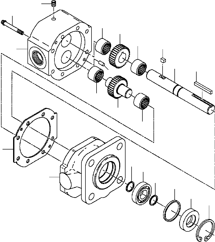
? 1436 314 H91 PUMP, DIFFERENTIAL HYDRAULIC 1
? (NSS) • HOUSING, REAR 1
? 79 113 • BOLT - .25-20 X 1.5 IN. 12-PT. FLANGED HEAD 8
? 1433 232 H1 • PLUG - .188 IN. D 1
? 1433 235 H1 • BEARING, NEEDLE - .5 IN. ID, .687 IN. OD 4
? 1437 480 H1 • GEAR, DRIVE 1
? (NSS) • SHAFT ASSEMBLY, IDLER 1
? 1437 239 H1 • • SHAFT, IDLER 1
? 1437 480 H1 • • GEAR, IDLER 1
? 1236 267 H1 • • PIN, DRIVE 1
? 235 529 R1 • • RING, RETAINING 1
? 1437 481 H1 • SHAFT, DRIVE 1
? 124 543 • KEY, WOODRUFF - .12 IN. W, .5 IN. D, .5 IN. L 1
? 1433 237 H1 • PIN, SHEAR - .219 IN. D X .5 IN. L 2
? 1433 234 H1 • GASKET 1
? 1433 693 H1 • GASKET 1
? 1433 695 H1 • GASKET 1
? (NSS) • HOUSING, FRONT 1
? 235 529 R1 • RING, RETAINING - EXT .5 IN. D 2
? 1433 240 H1 • BEARING, BALL - .5 IN. ID, 1.12 IN. OD 1
? 1433 239 H1 • SPACER - .088 IN. W, 1.03 IN. ID, 1.12 IN. OD 1
? 1435 676 H1 • SEAL, OIL - .5 IN. ID, 1.12 IN. D, .25 IN. W 1
? 338 835 R1 • RING, RETAINING - INT 1.12 IN. D 1
? 1433 238 H1 • KEY - .125 IN. X 1 IN. L 1

Graders Komatsu / GD650A-2CY S/N 211061-211069(GD650AK) / FIG. H5150-01A12 DIFFERENTIAL HYDRAULIC PUMP - S/N 202724 AND UP(H-078 : H5150-01A12)
?
?
?
?
?
?
?
?
?
?
?
?
?
?
?
?
?
?
?
?
?