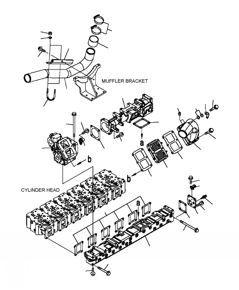
| Номер на схеме | Каталожный номер | Название | Количество | Детали | |||
|---|---|---|---|---|---|---|---|
| ? | 6251-11-4110 | MANIFOLD, INTAKE | 1 | ||||
| ? | 01436-01030 | BOLT | 12 | ||||
| ? | 01435-01080 | BOLT | 12 | ||||
| ? | 6251-11-4250 | COVER | 1 | ||||
| ? | 6251-11-4260 | GASKET | 1 | ||||
| ? | 01435-01025 | BOLT | 2 | ||||
| ? | 6150-13-4810 | GASKET | 6 | ||||
| ? | 6261-81-2700 | SENSOR ASSEMBLY | 1 | ||||
| ? | 6261-81-2710 | • SENSOR, BOOST PRESSURE | 1 | ||||
| ? | 6261-81-2720 | • O-RING | 1 | ||||
| ? | 01435-00616 | BOLT | 2 | ||||
| ? | 6560-61-7300 | SENSOR ASSEMBLY | 1 | ||||
| ? | 6560-61-7310 | • SENSOR, TEMPERATURE AIR INTAKE | 1 | ||||
| ? | 6735-21-1930 | • O-RING | 1 | ||||
| ? | 6251-11-4340 | CONNECTOR | 1 | ||||
| ? | 6251-11-4830 | GASKET | 2 | ||||
| ? | 600-815-3812 | HEATER, RIBBON | 1 | ||||
| ? | 01435-01070 | BOLT | 5 | ||||
| ? | 01435-01080 | BOLT | 1 | ||||
| ? | 07042-A0108 | PLUG | 2 | ||||
| ? | 6251-81-4520 | PLATE | 1 | ||||
| ? | 01643-31032 | WASHER | 2 | ||||
| ? | 6251-11-7210 | HOUSING, AIR JUNCTION | 1 | ||||
| ? | 01436-01060 | BOLT | 2 | ||||
| ? | 01435-01040 | BOLT | 2 | ||||
| ? | 6251-11-9720 | NOZZLE, VENTURI | 1 | ||||
| ? | 01437-10816 | BOLT | 2 | ||||
| ? | 6251-11-7410 | CONNECTOR | 1 | ||||
| ? | 6251-11-7450 | GASKET | 1 | ||||
| ? | 01435-01035 | BOLT | 4 | ||||
| ? | 6251-11-4820 | GASKET | 1 | ||||
| ? | 6251-11-4140 | PIPE | 1 | ||||
| ? | 6151-11-4410 | HOSE | 1 | ||||
| ? | 6152-12-4490 | CLAMP | 2 | ||||
| ? | 6251-11-4150 | BRACKET | 1 | ||||
| ? | 01435-01025 | BOLT | 2 | ||||
| ? | 07283-37663 | CLIP | 2 | ||||
| ? | 01643-31032 | WASHER | 4 | ||||
| ? | 01597-01009 | NUT | 4 |