| Номер на схеме | Каталожный номер | Название | Количество | Детали | |||
|---|---|---|---|---|---|---|---|
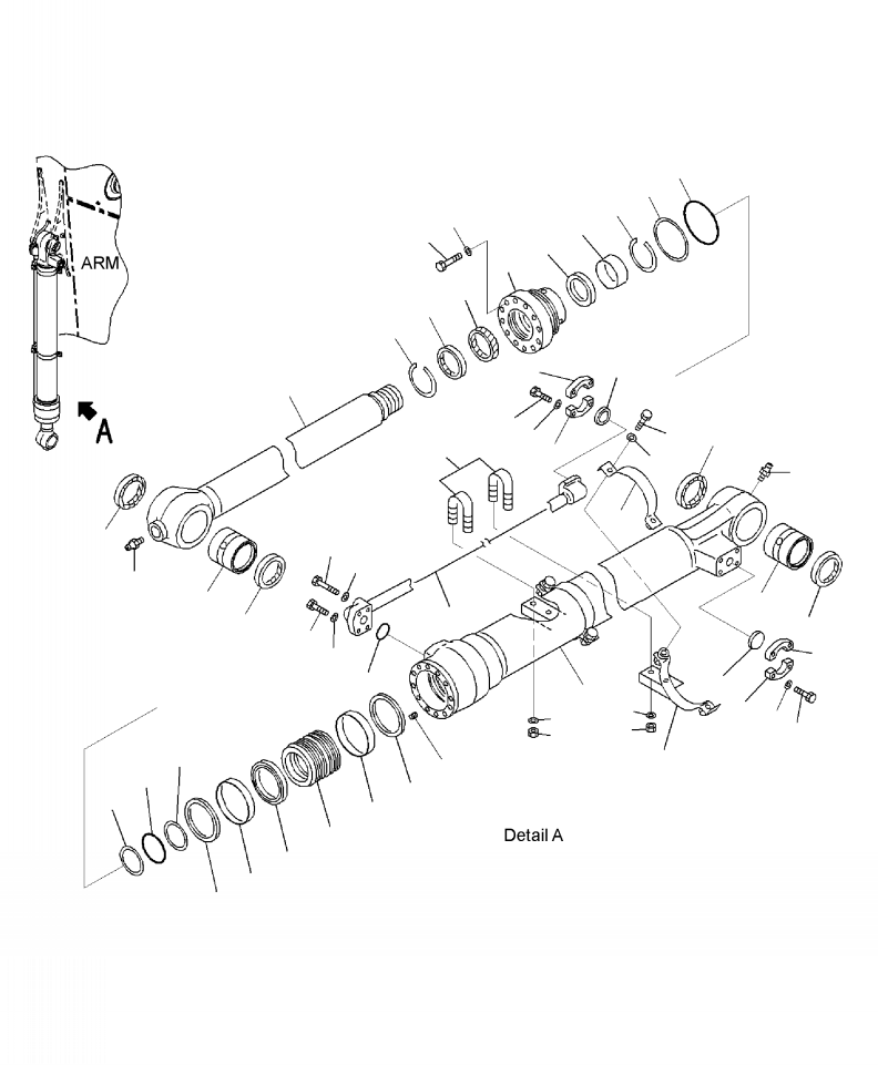
| ? | 707-01-0J860 | CYLINDER ASSEMBLY | 1 | SN: A88001-- |
|||
| ? | 707-13-13880 | • CYLINDER | 1 | SN: A88001-- |
|||
| ? | 707-76-80431 | • BUSHING | 1 | SN: A88001-- |
|||
| ? | 07145-00080 | • SEAL, DUST | 2 | SN: A88001-- |
F1 | ||
| ? | 707-58-90E60 | • ROD, PISTON | 1 | SN: A88001-- |
|||
| ? | 707-76-80020 | • BUSHING | 1 | SN: A88001-- |
|||
| ? | 20Y-70-23230 | • SEAL, DUST | 2 | SN: A88001-- |
F1 | ||
| ? | 707-27-13750 | • CYLINDER HEAD | 1 | SN: A88001-- |
|||
| ? | 07179-13104 | • RING, SNAP | 1 | SN: A88001-- |
|||
| ? | 07016-20908 | • SEAL, DUST | 1 | SN: A88001-- |
F1 | ||
| ? | 707-52-90681 | • BUSHING | 1 | SN: A88001-- |
|||
| ? | 707-75-90110 | • RING, SNAP | 1 | SN: A88001-- |
|||
| ? | 707-51-90030 | • PACKING | 1 | SN: A88001-- |
F1 | ||
| ? | 07000-15120 | • O-RING | 1 | SN: A88001-- |
F1 | ||
| ? | 707-35-91320 | • RING, BACK-UP | 1 | SN: A88001-- |
F1 | ||
| ? | 707-51-90650 | • RING | 1 | SN: A88001-- |
F1 | ||
| ? | 01010-61875 | • BOLT | 12 | SN: A88001-- |
|||
| ? | 707-41-11840 | • WASHER | 12 | SN: A88001-- |
|||
| ? | 707-36-13780 | • PISTON | 1 | SN: A88001-- |
|||
| ? | 707-44-13150 | • RING, PISTON | 1 | SN: A88001-- |
F1 | ||
| ? | 707-39-13150 | • RING, WEAR | 2 | SN: A88001-- |
F1 | ||
| ? | 707-44-13911 | • RING | 2 | SN: A88001-- |
|||
| ? | 707-35-90940 | • RING, BACK-UP | 2 | SN: A88001-- |
F1 | ||
| ? | 07000-15080 | • O-RING | 1 | SN: A88001-- |
F1 | ||
| ? | 01310-21216 | • SCREW | 1 | SN: A88001-- |
|||
| ? | 07020-00000 | • FITTING, GREASE | 1 | SN: A88001-- |
|||
| ? | 07020-00000 | • FITTING, GREASE | 1 | SN: A88001-- |
|||
| ? | 707-86-67820 | TUBE | 1 | SN: A88001-- |
|||
| ? | 07372-21060 | BOLT | 2 | SN: A88001-- |
|||
| ? | 01643-51032 | WASHER | 2 | SN: A88001-- |
|||
| ? | 07372-21045 | BOLT | 2 | SN: A88001-- |
|||
| ? | 01643-51032 | WASHER | 2 | SN: A88001-- |
|||
| ? | 07000-13030 | O-RING | 1 | SN: A88001-- |
F1 | ||
| ? | 707-88-22640 | BRACKET | 2 | SN: A88001-- |
|||
| ? | 707-88-21331 | BAND | 2 | SN: A88001-- |
|||
| ? | 07372-21035 | BOLT | 4 | SN: A88001-- |
|||
| ? | 01643-51032 | WASHER | 4 | SN: A88001-- |
|||
| ? | 07283-32738 | CLIP, PIPE | 2 | SN: A88001-- |
|||
| ? | 01597-01009 | NUT | 4 | SN: A88001-- |
|||
| ? | 01643-31032 | WASHER | 4 | SN: A88001-- |
|||
| ? | 707-88-33030 | CAP | 2 | SN: A88001-- |
|||
| ? | 07371-30640 | FLANGE, SPLIT | 4 | SN: A88001-- |
|||
| ? | 07372-21035 | BOLT | 8 | SN: A88001-- |
|||
| ? | 01643-51032 | WASHER | 8 | SN: A88001-- |
|||
| ? | 707-98-47720 | SERVICE KIT, BUCKET CYLINDER | 1 | SN: A88001-- |
|||
| ? | 45 | ||||||
| ? | F1 - PART INCLUDED IN SERVICE KIT | 46 |